概览
产品详情
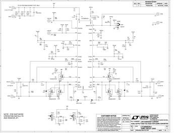
Demonstration circuit 1244 is a Low Quiescent Current, Dual Output Synchronous Buck Converter featuring the LTC3890EGN-1. DC1244 converts a 4.5V to 60V voltage source to 3.3V at 5.0A and 8.5V at 3.0A. When the input voltage is close to or below 9V, the 8.5V output enters dropout mode.The "-1" version has a fixed current limit and current foldback. See data sheet for other differences.
相关产品
文档
-
DC1244A - Schematic2010/3/23PDF42K
-
DC1244A - Demo Manual2010/3/23PDF732K
-
DC1244A - Design Files2010/3/23ZIP1M
