概览
产品详情
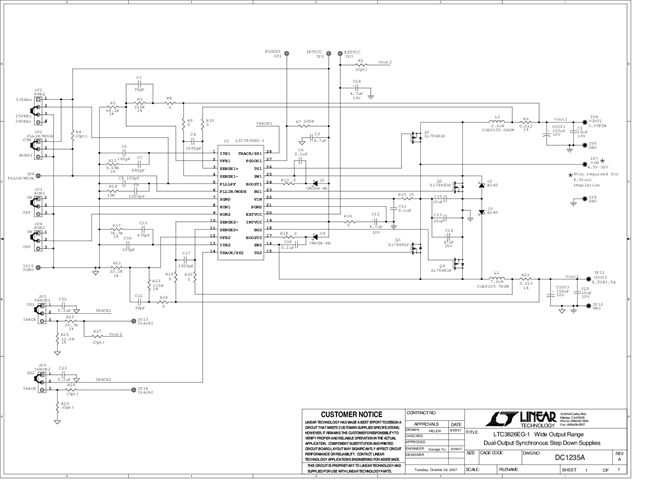
DC1235A: Demo Board for the LTC3826 30µA IQ, Dual, 2-Phase Synchronous Step-Down Controller.
相关产品
文档
- 
                                                                
                                                                    
                                                                                                                                            DC1235A - Schematic2009/9/24PDF48K
 
- 
                                                                
                                                                    
                                                                                                                                            DC1235A - Demo Manual2009/9/24PDF366K
 
- 
                                                                
                                                                    
                                                                                                                                            DC1235A - Design File2009/9/24ZIP866K
 
                                                