概览
产品详情
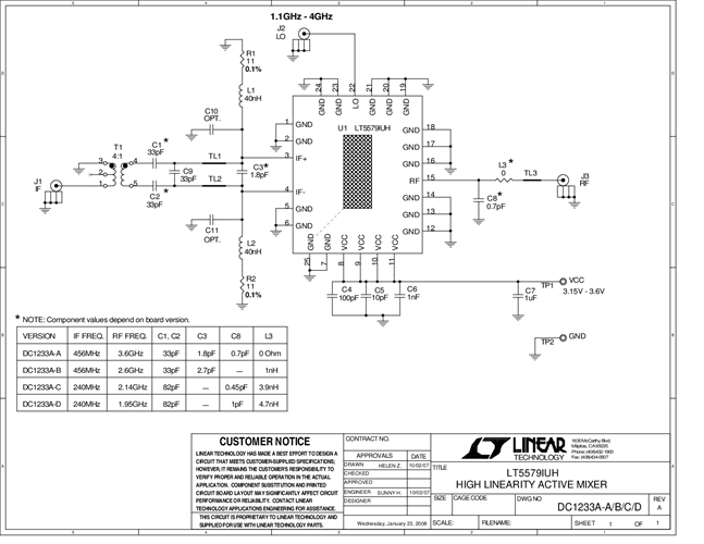
DC1233A-D: Demo Board for LT5579 1.5GHz to 3.8GHz High Linearity Upconverting Mixer.
相关产品
文档
- 
                                                                
                                                                    
                                                                                                                                            DC1233A - Schematic2009/9/24PDF29K
- 
                                                                
                                                                    
                                                                                                                                            DC1233A - Demo Manual2009/9/24PDF229K
- 
                                                                
                                                                    
                                                                                                                                            DC1233A - Design File2009/9/24ZIP712K
 
                             
                         
                         
                                                