概览
产品详情
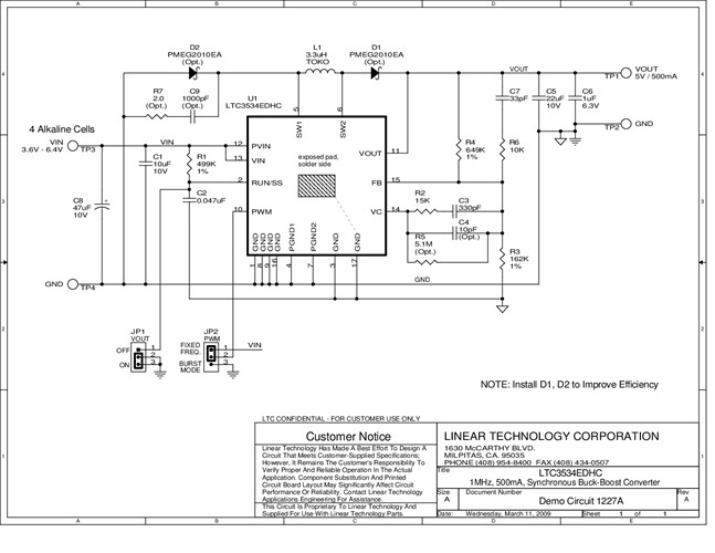
Demonstration Circuit 1227A is a wide VIN, high efficiency, fixed frequency synchronous Buck-Boost converter using the LTC3534EDHC. The LTC3534EDHC topology operates with input voltages above, below or equal to the output voltage, making the product ideal for multi-cell Alkaline/NiMH or single Lithium Ion/Polymer applications where the output voltage is within the battery voltage range.
The LTC3534EDHC operates with a 2.4V to 7V input voltage range and a VOUT range of 1.8V to 7V. The demonstration board has been designed to operate with VIN from 3.6V to 7V and VOUT is set to 5V with an output current up to 500mA.
相关产品
文档
-
DC1227A - Schematic2009/9/24PDF20K
-
DC1227A - Demo Manual2009/9/24PDF1M
-
DC1227A - Design File2009/9/24ZIP454K
