概览
产品详情
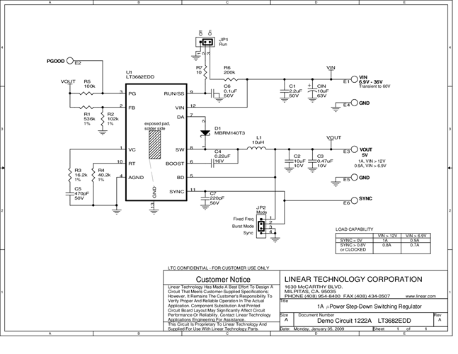
Demonstration circuit 1222 is a monolithic stepdown DC/DC switching regulator featuring the LT3682. The demo board is designed for 5V at 1A (VIN > 12V) from a 6.9V to 36V input, with transients up to 60V.
相关产品
文档
-
DC1222A - Schematic2009/9/24PDF24K
-
DC1222A - Demo Manual2009/9/24PDF608K
-
DC1222A - Design File2009/9/24ZIP508K
