概览
产品详情
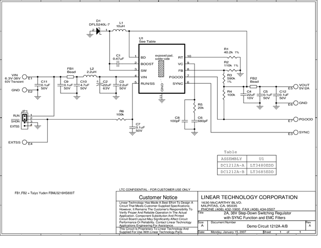
Demonstration circuit 1212A-B is a monolithic step-dwon DC/DC switching regulatro featuring the LT3685 in the 3x3 DFN-10 package. The demo board provides 5V@2A from a 6.3V to 38V input and has transient protection up to 60V. The demo boards default switching frequency is 800kHz, but the LT3685 has a SYNC pin which allows frequency synchronization to an external clock over a 250kHz to 2MHz range. The LT3685's quiescent current is 0.9mA, while the LT3480 has a 70uA quiescent current.
An EMC filter at the input makes the circuit compatible with EMC standard EN55022 Class B.
相关产品
文档
-
DC1212A - Schematic2009/9/24PDF22K
-
DC1212A - Demo Manual2009/9/24PDF289K
-
DC1212A - Design File2009/9/24ZIP684K
