概览
产品详情
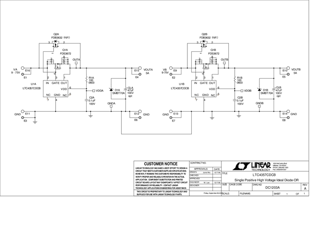
DC1203A: Demo Board for LTC4357 Positive High Voltage Ideal Diode Controller.
相关产品
文档
-
DC1203A - Schematic2009/9/24PDF25K
-
DC1203A - Demo Manual2009/9/24PDF143K
-
DC1203A - Design File2009/9/24ZIP468K




