概览
产品详情
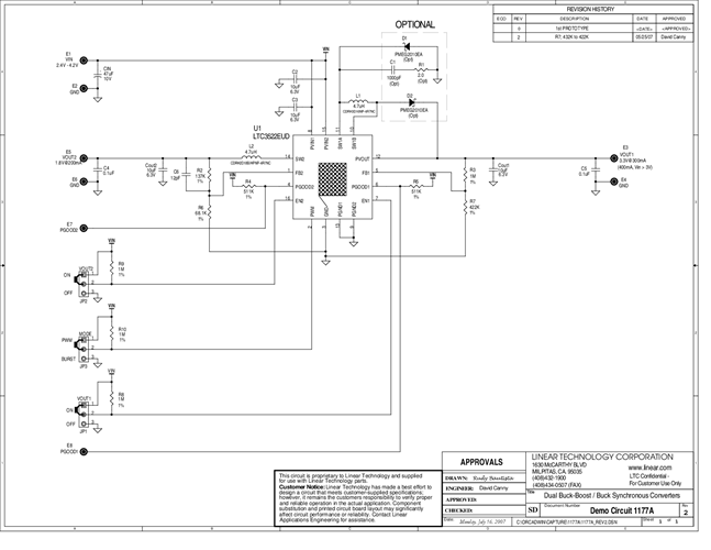
Demonstration circuit DC1177 is a micropower dual Buck-Boost/Buck synchronous converter based on the LTC3522 monolithic regulator. The DC1177 has an input voltage range of 2.4V to 4.2V and outputs 3.3V @ 300mA and 1.8V @ 200mA.
相关产品
文档
-
DC1177A - Schematic2009/9/24PDF66K
-
DC1177A - Demo Manual2009/9/24PDF0M
-
DC1177A - Design File2009/9/24ZIP0M
