概览
产品详情
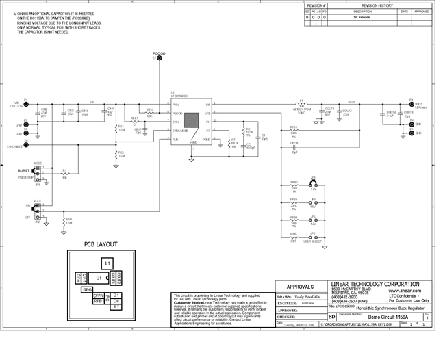
DC1159A: Demo Board for LTC3565 1.25A, 4MHz, Synchronous Step-Down DC/DC Converter
相关产品
文档
-
DC1159A - Schematic2009/9/24PDF85K
-
DC1159A - Demo Manual2009/9/24PDF317K
-
DC1159A - Design File2009/9/24ZIP1M
