概览
产品详情
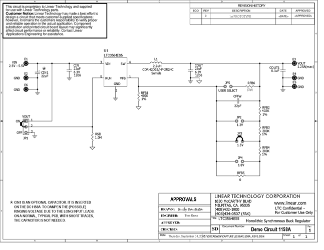
演示电路DC1158A是一款采用恒定频率、电流模式架构的高效率单芯片同步降压稳压器,内置采用ThinSOT封装的LTC3564。该演示板具有2.5V至5.5V的输入电压范围,并提供跳线可选的1.2V/1.5V/1.8V (1.25A)输出电压。其2.25MHz高开关频率支持使用小型表贴电感和电容。
相关产品
文档
-
DC1158A - Schematic2009/9/24PDF85K
-
DC1158A - Demo Manual2009/9/24PDF334K
-
DC1158A - Design File2009/9/24ZIP1M
