概览
产品详情
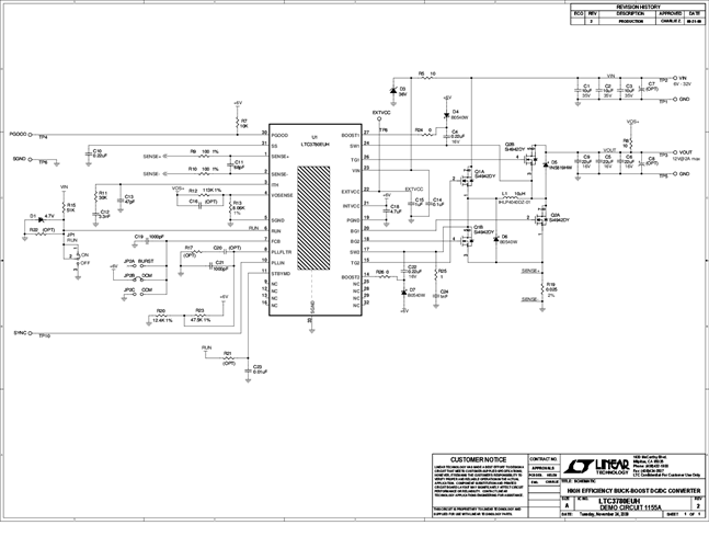
演示电路1155A是一款紧凑型高效率同步降压-升压型DC/DC转换器解决方案,内置LTC3780EUH控制器,具有6V至32V输入电压范围。在12V输出下,可提供最大2A负载电流。恒频电流模式架构支持高达400kHz的可锁相频率。
相关产品
文档
-
DC1155A - Schematic2010/1/15PDF53K
-
DC1155A - Demo Manual2010/1/15PDF502K
-
DC1155A - Design Files2010/1/15ZIP714K
