概览
产品详情
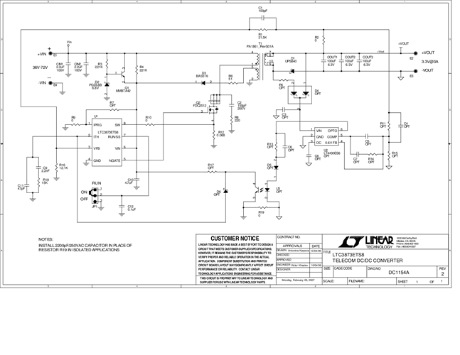
Demonstration circuit DC1154 is a Telecom non isolated DC/DC converter featuring the LTC3873 constant frequency current mode flyback controller. The DC1154 converts 36V to 72V input voltage to an isolated 3A of output current at 3.3V. The 200kHz constant frequency operation is maintained down to very light load to reduce low frequency noise generated over a wide range of load current. The DC1154 also provides an isolated design by installing the optocoupler and LTC4430 related circuitry. The demonstration circuit can be easily modified to generate different output voltages up to 15V. As output voltage is increased, the maximum output current must be reduced to limit the output power to no more than 10W.
相关产品
文档
-
DC1154A - Schematic2009/9/24PDF29K
-
DC1154A - Demo Manual2009/9/24PDF313K
-
DC1154A - Design File2009/9/24ZIP711K
