概览
产品详情
该评估板已停产,不再建议使用
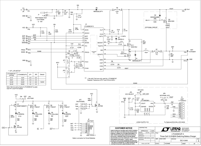
演示电路 DC1104A 是一款采用 LTC4009-2 的单电池充电控制器 (每节电池 4.2V)。输入电压范围为 13.5V 至 20V。可通过跳线对充电器输出电压进行编程,以支持每节电池电压为 4.2V 的 1 节、2 节、3 节和 4 节锂离子电池。最大充电电流为 2A。该演示板针对 12.6V 电压 (三节锂离子电池) 进行了初始配置。在上电之前使用连接的电池施加输入电源之后,该演示板将立即自动地为电池充电。为 CHG、ACP (AC 接入)、C/10 和 ICL (输入电流限制) 提供了状态 LED 指示灯。此演示板还能支持具有简单 IC 换出的 LTC4009 (可调充电电压) 和 LTC4009-1 (每节电池 4.1V)。
文档
-
DC1104A - Schematic2009/9/24PDF48K
-
DC1104A - Demo Manual2011/1/11PDF905K
-
DC1104A - Design File2009/9/24ZIP0M
