概览
产品详情
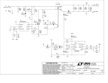
演示电路1100是一款隔离式电信DC/DC转换器,内置LTC3803ES6-3恒频电流模式反激式控制器。DC1100将18V至72V输入转换为3.3V输出,并提供3A输出电流。将300KHz恒定工作频率可保持低至轻负载条件,从而减少功率转换器在pulse skipping模式下工作时产生的低频噪声。该转换器在宽负载范围内提供较高的输出电压精度(通常为±2%),且没有最低负载要求。
相关产品
文档
-
DC1100A - Schematic2009/9/24PDF27K
-
DC1100A - Demo Manual2009/9/24PDF152K
-
DC1100A - Design File2009/9/24ZIP488K
