概览
产品详情
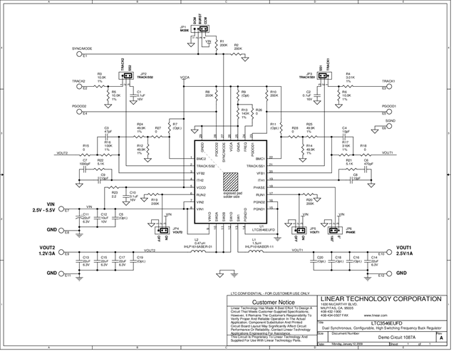
DC1087A: Demo Board for LTC3546 Dual Synchronous, 3A/1A or 2A/2A Configurable Step-Down DC/DC Regulator.
相关产品
文档
-
DC1087A - Schematic2009/9/24PDF31K
-
DC1087A - Demo Manual2009/9/24PDF2M
-
DC1087A - Design File2009/9/24ZIP2M
