概览
产品详情
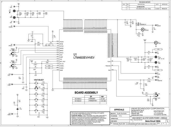
Demonstration circuit DC1083A-B features the LTM4603HV, the high efficiency, high density step-down μModule® regulator. The input voltage range is from 4.5V to 28V. The output voltage is jumper programmable from 0.6V to 5V. The rated load current is 6A, while derating is necessary for certain VIN, VOUT, and thermal conditions. Applying an external clock signal to the PLLIN pin forces the μModule regulator to operate at the same frequency.
相关产品
文档
-
DC1083A-B - Schematic2014/6/26PDF81K
-
DC1083A-B Demo Manual2011/8/30PDF243K
-
DC1083A-B Design Files2010/6/15ZIP1M
