文档
-
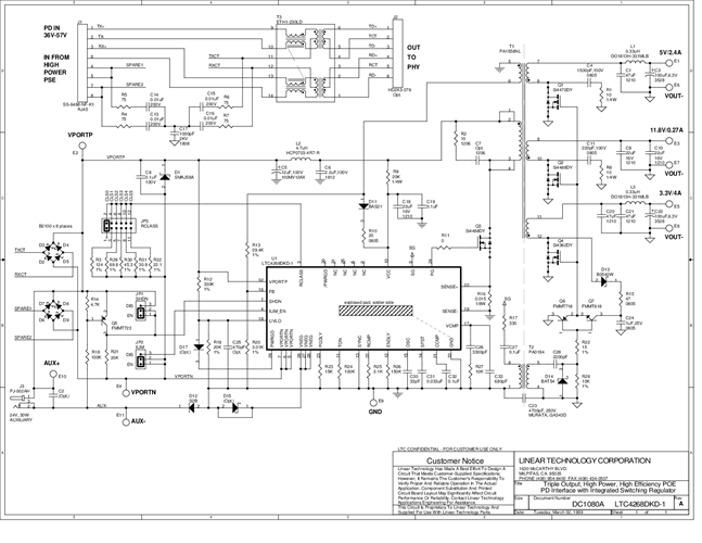
DC1080A - Schematic2009/9/24PDF47K
-
DC1080A - Demo Manual2009/9/24PDF676K
-
DC1080A - Design File2009/9/24ZIP2M
