文档
- 
                                                                
                                                                    
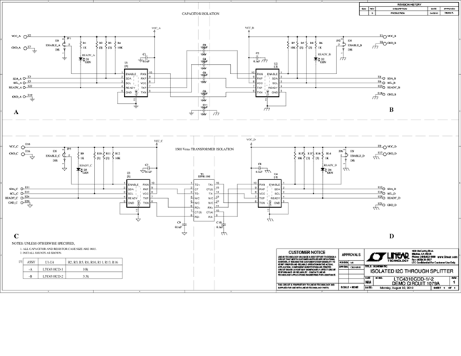
                                                                                                                                            DC1079A - Schematic2011/2/15PDF59K
- 
                                                                
                                                                    
                                                                                                                                            DC1079A - Demo Manual2011/2/15PDF888K
- 
                                                                
                                                                    
                                                                                                                                            DC1079A - Design Files2011/2/15ZIP2M
 
                             
                         
                         
                                                