概览
产品详情
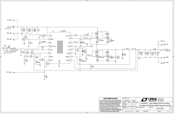
演示电路 1073 是一款采用 LT3845 的 100kHz 至 500kHz 可编程频率、高电压、电流模式 DC/DC 降压型转换器。工作频率可同步至高达 600kHz。该演示板专为采用一个 20V 至 55V 输入产生 12V/6.25A (75W) 输出而设计。软启动功能可控制启动时输出电压的转换速率,从而减小浪涌电流和电压过冲。可通过跳线选择工作模式 (突发模式、不连续电流模式和连续电流模式)。突发模式和不连续电流模式都可在轻负载时提高效率。连续电流模式将保持恒定的开关频率,这与负载电流无关。
相关产品
文档
-
DC1073A - Schematic2009/9/24PDF64K
-
DC1073A - Demo Manual2009/9/24PDF270K
-
DC1073A - Design File2009/9/24ZIP773K




