概览
产品详情
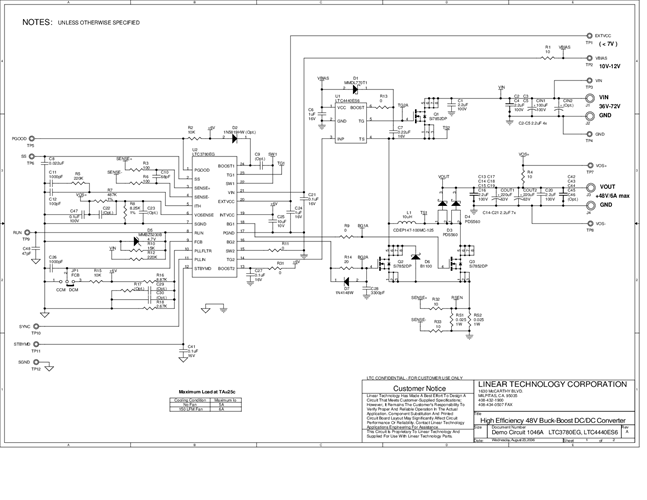
演示电路1046A是一款非隔离式高效率降压-升压型DC/DC电源,内置LTC3780EG和LTC4440ES6。LTC3780是一款高性能4开关同步降压/升压型稳压器,LTC4440是一款额定电压为100V的FET驱动器。该演示板的输入电压设计为36V至72V。输出电压为48V。25C°室温下,没有冷却风扇时,最大输出电流为5A,提供150LFM气流进行散热时,最大输出电流为6A。该板上配备了一个使用LTC3803的可选12V偏置反激式电源,为LTC3780和LTC4440供电。
相关产品
文档
-
DC1046A - Schematic2009/9/24PDF54K
-
DC1046A - Demo Manual2009/9/24PDF721K
-
DC1046A - Design File2009/9/24ZIP1M
