概览
产品详情
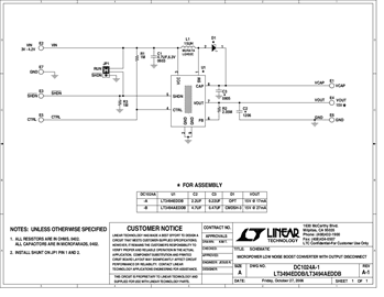
Demonstration circuits 1024A-A and 1024A-B are Micropower Low Noise Boost Converters With Output Disconnect featuring the LT3494 and LT3494A respectively. The demo circuits demonstrate small size and low component count in Boost configuration. Both demo versions are designed to convert a 3V-4.2V source to 15V. The only difference is in the load capability. The 1024A–A supplies 17mA at 3VIN while the 1024A–B supplies 27mA, also at 3VIN. The LT3494 features integrated Schottky diode, output disconnect function, dimming control, output sense resistor and non-audible switching frequency over the entire load range.
相关产品
文档
-
DC1024A - Schematic2009/9/24PDF25K
-
DC1024A - Demo Manual2009/9/24PDF577K
-
DC1024A - Design File2009/9/24ZIP665K
