概览
产品详情
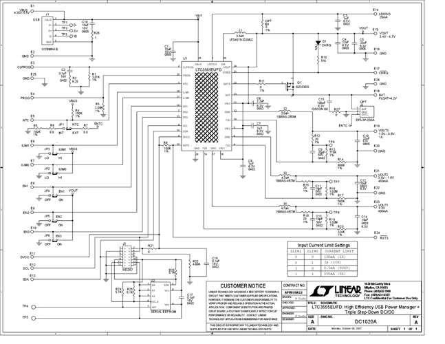
DC1020A: Demo Board for the LTC3555/LTC3555-X High Efficiency USB Power Manager + Triple Step-Down DC/DC
相关产品
文档
-
DC1020A - Schematic2009/9/24PDF131K
-
DC1020A - Demo Manual2009/9/24PDF797K
-
DC1020A - Design File2009/9/24ZIP1M
