概览
产品详情
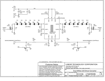
DC1019A - Demo Board for:
LT3497 - Dual Full Function White LED Driver with Integrated Schottky Diodes
相关产品
文档
-
DC1019A - Schematic2009/9/24PDF23K
-
DC1019A - Demo Manual2009/9/24PDF391K
-
DC1019A - Design File2009/9/24ZIP465K
