概览
产品详情
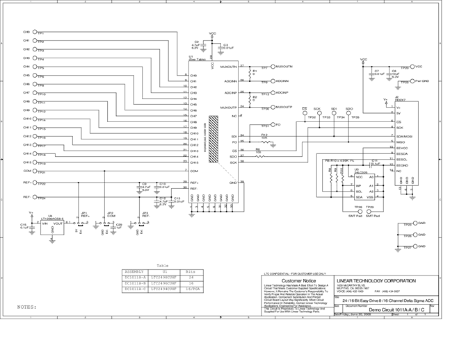
DC1011A-C: Demo Board for the LTC2494 16-Bit 8-/16-Channel ΔΣ ADC with PGA and Easy Drive Input Current Cancellation
文档
-
DC1011A - Schematic2012/3/1PDF28K
-
DC1011A - Demo Manual2013/6/20PDF586K
-
DC1011A - Design Files2012/3/1ZIP639K




