概览
产品详情
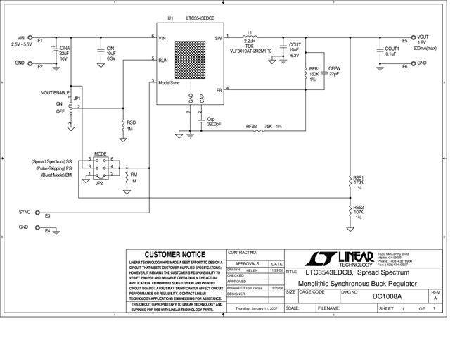
Demonstration circuit 1008 is a step-down converter, using the LTC3543 monolithic synchronous buck regulator. The DC1008 has an input voltage range of 2.5V to 5.5V, and is capable of delivering up to 600 mA of output current in a small 2mm × 3mm DFN package. The default output voltage of the DC1008 is 1.8V, but can be set as low as 0.6V, the reference voltage of the LTC3543.
相关产品
文档
-
DC1008A - Schematic2009/9/24PDF29K
-
DC1008A - Demo Manual2009/9/24PDF407K
-
DC1008A - Design File2009/9/24ZIP508K
