概览
优势和特点
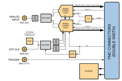
- 2个交错式 ADC AD9625,采用双倍采样速率(显示为5GSPS)
- 双FMC宽板,需要在载波板上配备两个完全填充的(主要是收发器)FMC连接器
- 包括参考设计,可配合常用的Altera和Xilinx开发板一起使用。
产品详情
AD-FMCADC5-EBZ是一款集成两个AD9625 ADC的高速单通道数据采集板。该板可在5GSPS的有效采样速率下提供单输入,同时两个ADC在2.5GHz频率下工作并在两个边沿下进行采样工作(时钟的彼此相位相差180度)。虽然该板确实符合大多数FMC规格要求,但它不能用作现成的商用(COTS)板。如果需要可供立即集成的商用产品,请咨询众多FMC制造商之一。
ADI还为此板提供参考设计(HDL和软件),可配合常用的Altera和Xilinx开发板一起使用。
使用入门
系统需求
AD-FMCADC5-EBZ评估的最低要求是可以运行Xilinx Vivado设计套件或OpenCL Altera SDK的PC,以及适合所选FPGA的开发套件。完全支持的载体目前包括Xilinx VC707平台。
文档
-
AD-FMCADC5-EBZ FMC Board2016/7/12WIKI

