Watchdog Timer Assumes Varied Roles

Abstract

The following application note demonstrates alternative uses for the MAX6369-MAX6374 family of pin-selectable watchdog timers. Alternative uses include a power saving power-on LED indicator circuit, load connect/disconnect circuit and push-button reset circuit.

Introduction

The MAX6369-MAX6374 series of pin-selectable watchdog timers are designed to supervise µP activity and indicate when a system is working improperly. During normal operation, a µP should repeatedly toggle the WDI (watchdog input) before the selected watchdog-timeout period elapses to indicate that the system is properly executing code. If it fails to do so, the supervisor IC asserts a active-low WDO (watchdog output) to signal that a problem exists. The cited family of watchdog supervisors is available in SOT23-8 packages and has selectable watchdog-timeout periods and delays of 1.7msec to 104sec in seven steps. The ICs also have selectable output-pulse widths of 1.7msec or 170msec, depending on part selection and the state of the Set 0, Set 1, and Set 2 pins. You can use these devices for general-purpose timing functions, especially when low current consumption is important. The ICs consume only 8mA typical and 20mA maximum over temperatures from a 2.5V to 5.5V supply. With WDI connected to ground or VCC, the internal timer cycles, pulsing active-low WDO low upon timeout. In addition to the lower current (20mA versus 120mA), the watchdog-timer IC takes less board space and uses no timing resistors or capacitors. The following circuits represent a few examples.

The circuit in Figure 1 uses a MAX6373 to pulse active-low WDO low for 170msec every 5.2sec. The load is a front-panel power-on LED with a 1kΩ current-limiting resistor. By pulsing the LED rather than powering it continuously, the average current decreases by a factor of 30 (88µA versus 2.4mA). The LED thus indicates that the equipment is on while minimizing battery drain. By changing the Set pins to Set 0 = 0V, Set 1 = Set 2 = VCC, you can extend the off time to 17sec, thus reducing the average current to 32µA.

Figure 1. A blinking LED allows a 30-to-1 average-current reduction in a power-on indicator.

Figure 1. A blinking LED allows a 30-to-1 average-current reduction in a power-on indicator.

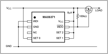
The circuit in Figure 2 is similar to the one in Figure 1 but uses a MAX6371 to turn on a load for 170msec every 104sec. The load can be a battery-powered monitoring circuit that remains idle, saving power, and then wakes up to make a measurement.

Figure 2. This circuit wakes up every 104sec to turn on a load for 170msec.

Figure 2. This circuit wakes up every 104sec to turn on a load for 170msec.

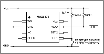
The circuit in Figure 3 uses a MAX6373 with its Set inputs configured for timer disabled. If you hold Set 1 low for longer than the watchdog period (5.2sec), then active-low WDO pulses low. You can use this circuit in applications in which a reset button is on a front panel, for example. You must deliberately depress the button for at least 5.2sec to trigger a reset. This feature can prevent an accidental reset when someone presses the button inadvertently.

Figure 3. You must press the reset button for at least 5.2sec for the reset to take effect.

Figure 3. You must press the reset button for at least 5.2sec for the reset to take effect.

A similar version of this article appeared in the February 1, 2001 issue of EDN magazine.