Design Note 1048: Three Bucks Plus a Boost Controller Meet the Stringent Requirements of Wide-Range VIN Automotive Applications
Introduction
Automobiles have space-constrained harsh environments that demand reliable and compact power supplies for increasingly complex electronics systems. The LT8603 multioutput regulator is a robust solution that combines two high voltage 2.5A and single 1.5A buck regulators, a low voltage 1.8A buck regulator and a boost controller in a compact 6mm × 6mm QFN package. The boost controller simplifies the design of wide-input multiple-output supplies when used in the following solutions:
- Cold crank tolerant automotive supply with three regulated outputs
- Four regulated outputs with the fourth rail configured as SEPIC
- Boost channel powered from one of the buck regulators
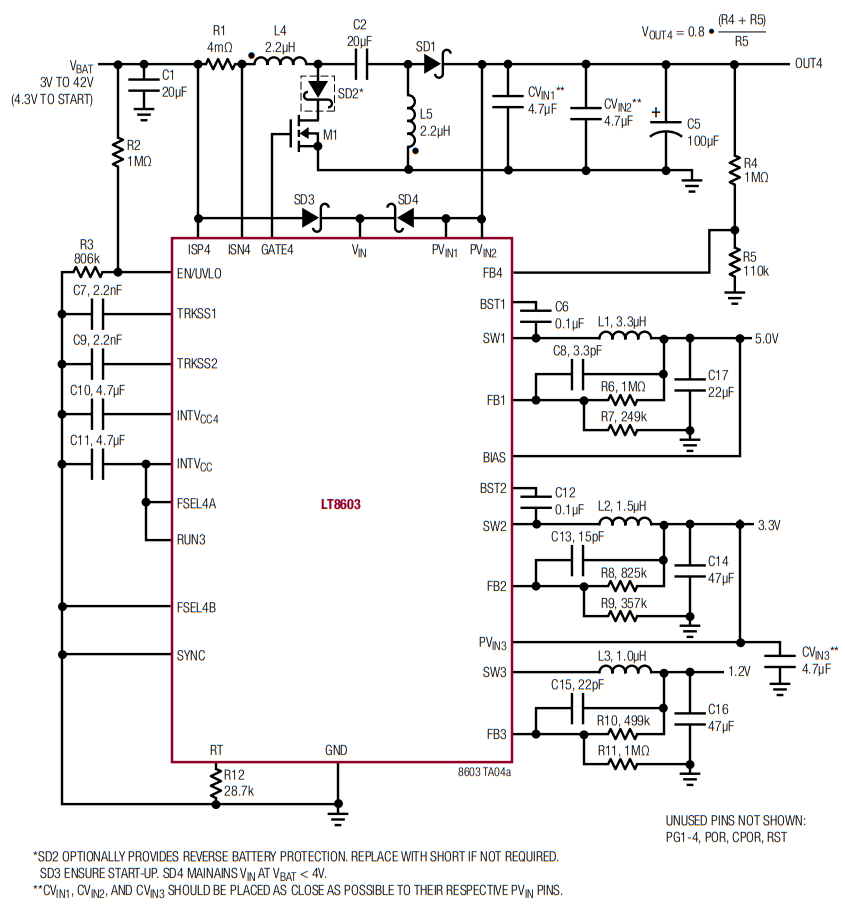
Cold Crank Tolerant Automotive Supply with Three Regulated Outputs
In automobile applications, regulated 5V, 3.3V, and sub-2V rails are required to power various analog ICs and digital ICs that may require these different rails for content, processor I/O and core. These rails are usually generated from the nominal 12V automotive battery voltage, VBAT, which can range from 8V to 16V. High efficiency step-down buck regulators can cover most situations, but if VBAT drops to 2V for tens of milliseconds during cold crank, a pure buck regulator would lose regulation if directly powered from VBAT.
The LT8603 boost controller is able to work down to 2V, making it an ideal pre-regulator to power the buck regulators. Figure 1 shows a typical application for cold crank operation. When VBAT drops below 8.5V, the boost controller output (OUT4) is regulated to 8V. The two high voltage bucks can ride through the cold crank condition, while providing constant 5V and 3.3V outputs, as shown in Figure 1. Once VBAT recovers to above 8V from the cold crank, the boost controller simply works as a diode pass through. The high voltage bucks can handle VBAT up to 42V. In Figure 1, the low voltage buck is powered from the OUT2, and it provides 1.2V through the cold crank event.

Figure 1a. Cold Crank Tolerant Automotive Supply with Three Regulated Outputs.

Figure 1b. LT8603 Response to a Cold Crank Automotive Input Waveform.
Four Regulated Outputs, with Fourth Rail as SEPIC
If four regulated outputs are needed, the boost controller can be operated as a SEPIC converter. Figure 2 shows the LT8603 configured with a 12V output SEPIC converter. The 12V output provides power to the high voltage bucks, which keeps them operating at a high efficiency when VBAT climbs above 24V, such as in a higher voltage system or the infamous double battery jump start. The buck converters are less efficient at high voltage and high frequency, and can be thermally limited to a lower output current. This circuit can maintain regulation on all four outputs even when VBAT drops to 2V (when lightly loaded). The SEPIC needs additional circuits to withstand a permanent output to ground short circuit.

Figure 2. Four Regulated Outputs with Channel 4 Configured as a SEPIC.
Boost Powered from One of the Bucks
Another way to get four regulated outputs is to drive the boost regulator from the output of one of the high voltage buck regulators, as shown in Figure 3. All four outputs are regulated as long as VBAT is higher than the minimum input voltage of the high voltage bucks. The buck regulator limits the maximum current of the boost converter, protecting the boost against short circuits and limiting cycle-by-cycle current.

Figure 3. Four Regulated Outputs with Channel 4 Driven from Channel 2.
Additional Regulated Voltage with Charge Pump
A charge pump circuit can be added to a SEPIC circuit as shown in Figure 4, to provide another regulated output. The regulation curves are shown in Figure 4 for different input voltages. Similarly a negative output charge pump can be implemented to generate a negative rail.

Figure 4a. Charge Pump Circuit.

Figure 4b. A Charge Pump Circuit Provides an Additional High Voltage Output.
EMI Performance
The LT8603 uses a 2-phase clock. Channel 1 operates 180° out-of-phase from channel 2, reducing the peak input current of the bucks and helping reduce EMI. The high density of electronic components requires careful balancing of thermal and EMI performance. The LT8603 demo circuit DC2114A exemplifies a layout optimized for low EMI, passing CISPR 25 Class 5 Peak Limits. Figure 5 shows the radiated EMI results with vertical polarization in the range of 30MHz to 1000MHz. Input is 14V with 1A load in each of the outputs. Figure 6 shows the PCB layout of DC2114A.

Figure 5. LT8603 DC2114A CISPR 25 Class 5 Radiated EMI, 30MHz to 1GHz.

Figure 6. DC2114A PCB Top Layer View.
Conclusion
The LT8603 offers versatile and compact power supply solutions by combining three buck regulators and a boost controller into a tiny 6mm×6mm QFN package. Each of the buck regulators has internal power switches, cycle-by-cycle current limiting and track/soft-start control. The LT8603's synchronous rectification topology delivers up to 94% efficiency. Burst Mode® operation keeps quiescent current under 30µA (all channels on), ideal for always-on systems. The wide input range, from 2V to 42V, and versatile functions make the LT8603 an excellent choice for automotive and other demanding applications.