Stabilizing Thermoelectric Controller (TEC) Loops Using a Unit-Step Response
Abstract
Thermoelectic controller (TEC) loops can be stabilized by using the loop's response to a step function to determine stability. The gain is then reduced to the point where the circuit is stable. This application note describes the procedure and uses the MAX8521 EV Kit to demonstrate this process.
Procedure
Remove the three integrator components (C16, C17, and R16 ) and the two differential components (R18 and C18). Place a 500kΩ or greater potentiometer across the op amp (output to feedback). This forms an error amplifier with only DC gain. Place a scope probe on the THERM test point and rapidly change the temperature set point with R23. Raise the gain with the installed potentiometer until strong ringing or oscillations are observed from a transient step. Note the frequency of the instability (ring).
Note that TECs have stronger thermal gain in heating mode and this should be the worst for transient response. Normally ringing is caused by poor phase margin from the second pole in the TEC and it can be compensated for with the differential components of the PID (R18 and C18). The differentiator is able to add as much as 90 degrees lead phase shift. As an example to calculate the differential components, if the ringing is at 2Hz and R17 is 50kΩ, the differentiator should start adding phase at 0.3Hz and end at 12Hz.
Therefore, to start the differentiator at 0.3Hz:

To end the differentiator at 10Hz:

After installing C18 and R18 again, adjust the potentiometer for optimal transient. Once you have a good transient response, the integrating cap (C16) can be added. C16 sets the integrators to zero. This zero should match the first pole of the TEC module, which is usually 0.02Hz to 0.06Hz.
Therefore:

Usually the loop gain is high enough that the frequency of the zero inserted by the integrator does not need to be exact. C16 should be ceramic and a smaller capacitor is better for circuit performance.
The loop gain should be rolled off at a frequency at least two times higher than the differential. In the example in this application note, this would be 24Hz or higher. C17 rolls off the loop gain and its value can be found using:

It may be necessary to scale all the circuit values until realistic components can be found. Note that in heating mode (cooled environment), there is higher thermal loop gain and this is the worst case for stability.
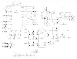
MAX8521 EV Kit Schematic

| Designation | Qty | Description |
| C1, C2, C3, C5, C11, C20 | 6 | 1µF ±10%, 6.3V X5R (0603) ceramic capacitors Murata GRM188R60J105K,Taiyo Yuden JMK107BJ105KA |
| C4, C10, C16 | 3 | 10µF ±20%, 6.3V X5R (0805) ceramic capacitors Taiyo Yuden JMK212BJ106MG |
| C6, C7, C12, C13, C14 | 5 | 0.1µF ±10%, 25V X5R (0603) ceramic capacitors Murata GRM188R71E104K,Taiyo Yuden TMK107BJ104KA |
| C8 | 1 | 0.047µF ±10%, 10V X7R (0402) ceramic capacitor Murata GRP155R71A473K |
| C9 | 0 | Not installed (1206) |
| C15 | 0 | Not installed (0603) |
| C17 | 1 | 0.022µF ±10%, 50V X7R (0603) ceramic capacitor Murata GRM188R71H223K |
| C18 | 1 | 10µF ±20%, 4V X5R (0603) ceramic capacitor TDK C1608X5R0G106M |
| C21 | 1 | 150µF ±20%, 6.3V, 18m ESR, 2.8A, D2E size, POSCAP Sanyo 6TPE150MI |
| J1 | 1 | DB25 male right-angle connector |
| J2 | 1 | 2-pin header |
| J3-J6 | 0 | Not installed |
| J7, J8 | 2 | 3-pin headers |
| L1, L2 | 2 | 2.2mH, 1.6A inductors Sumida CDRH2D18/HP-2R2 |
| Q1, Q2, Q3 | 3 | npn bipolar transistors, 40V, SOT-23 Central Semiconductor CMPT3904 |
| R1 | 1 | 0.1Ω ±1%, 0.25W (1206) sense resistor Panasonic ERJ8RSFR10 |
| R3 | 1 | 47kΩ ±5% (0402) resistor |
| R4 | 1 | 100kΩ ±1% (0402) resistor |
| R5-R8, R24 | 0 | Not installed (0402) |
| R9, R10, R11 | 3 | 4.7kΩ ±5% (0603) resistors |
| R12-R15, R18 | 5 | 1kΩ ±5% (0603) resistors |
| R16 | 1 | 240kΩ ±5% (0603) resistor |
| R17 | 1 | 47kΩ ±1%, (0603) resistor |
| R19 | 1 | 10Ω ±5% (0603) resistor |
| R20 | 1 | 10kΩ ±0.1%, 25ppm/°C (0805) resistor Panasonic ERA6YEB103 |
| R21, R22 | 0 | Not installed (0603) |
| R23 | 1 | 10kΩ potentiometer (multiturn) |
| SW1 | 1 | Switch, momentary, NO |
| U1 | 1 | Power driver, 36-pin UCSP MAX8521EBX |
| U2 | 1 | Op amp, 6-pin SOT23 MAX4238AUT-T |
| U3 | 0 | Not installed, 8-pin SO |
| U4 | 1 | Serial, 14-bit DAC, 10-pin mMAX MAX5144EUB |
| Quantity | Description | E Number |
| 1 | Box (labeled with EV kit part number and date code) 9.25in x 7.25in x 1.0125in TTM plain kraft | N/A |
| 1 | WEB instructions for Maxim data sheet | N/A |
| 1 | ESD bag, unsealed (sufficient in size to allow easy removal of circuit-board assembly) | N/A |
| 1 | ESD foam packing material (to prevent PC board from moving within the box) | N/A |
| 1 | MAX8520/21 software disk | N/A |
| 1 | MAX8521EVKIT circuit board assembly | N/A |