冗余收发器RS-232链路,提供±40V过压保护

Abstract

并行RS-232收发器能够在对安全性要求苛刻的应用中提供双重可靠保证。但是,这种冗余收发器结构会为数据总线增加额外的负载。本应用笔记提供了一种解决上述问题的方案,即利用线保护器缓冲收发器的输入、输出。该方案还增添了过压保护功能。

RS-232标准用于实现一路发送器与一路接收器之间的点到点通信,但是,有些情况下需要在链路中连接一个以上的收发器。例如,通过冗余收发器为安全设备提供额外的保护。

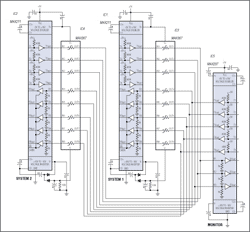
多个收发器加载到数据总线时,例如,分别来自两片MAX211的发送器并联在一起(连接在同一链路),由于没有使用的器件(无论处于关断状态还是断电状态)加载到数据总线上,将会对有效工作的器件产生负面影响。图1所示电路可以避免上述问题,而且能够为收发器线路提供过压保护(±40V)。

每路并联RS-232收发器(IC1和IC2)通过2端、多通道线保护器(IC3和IC4)缓冲。正常工作时,线保护器在每对儿输入与输出之间存在60Ω电阻,断电情况下或任意一端的电压上升到电源电压以上的1.5V以内,线保护器两端呈现为高阻态。线保护器由收发器内部的电荷泵供电,当收发器断电或关断时,对应的线保护器断电,这样,不工作的收发器将自动断开总线连接。

为了保证线保护器具有足够的电源电压余量,以满足收发器±5V的发送规范要求,外部二极管-电容电荷泵将收发器的V-输出转换为更低的负电压。收发器关断或断电时,100kΩ电阻为负电压提供放电通道。系统的各种状态如表1所示。

表1. 系统状态
Tx CONDITION Tx (V+) Tx (V-) LINEPROTECTOR (V-)
Active ~2VCC ~−2VCC ~−3VCC
Shutdown VCC Ground Ground
Power Off Ground Ground Ground

图1. 线保护器IC3和IC4可以防止两路并联收发器(IC1和IC2)在禁止工作时(关断或断电)为数据总线增加额外的负载。

图1. 线保护器IC3和IC4可以防止两路并联收发器(IC1和IC2)在禁止工作时(关断或断电)为数据总线增加额外的负载。

类似文章发表于Electronic Product Design (UK) 1996年第12期。