Interfacing an SPI RTC with a Motorola DSP
Abstract
This application note provides an example of hardware and software for interfacing a Serial Peripheral Interface (SPI) RTC with a Motorola DSP that has a built-in SPI interface module. This example uses a Motorola DSP Demo kit as the basis for the circuit.
DS1306 Pin Configuration

Pin Configuration
Description
The DS1306 real-time clock (RTC) can be interfaced with a microcontroller (µC) or digital signal processing (DSP) unit using a 3-wire or an SPI™ interface. This application note shows how to connect a DS1306 to a Motorola DSP that has a built-in SPI interface module. The DS1305 could also be used in this application. This circuit uses the Motorola DSP56F800DEMO Demonstration Board and CodeWarrior IDE.
Using the Example Software
The example software was developed by starting with a blank project. Follow the instructions in the Motorola Kit Installation Guide (Tutorial: Creating a CodeWarrior Project) for details. Add the code included in this application note in main.c.
Operation
The program uses a GPIO port to control CE on the DS1306. The software initializes the SPI controller module in the DSP writes the time and date to the DS1306. The software then loops reading the time and date. The DS1305 and DS1306 support SPI modes 1 and 3.
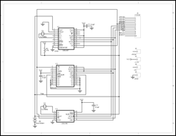
Figure 1 shows a schematic of the circuit. This circuit comprises a daughter card that is attached to the Motorola demo board. Please note that the circuit in Figure 1 includes several RTCs with SPI interfaces. Only one RTC may be used at a time, and the software only supports the DS1306. The software is shown in Figure 2.
Figure 1. Daughter card for the DSP56F800DEMO board.
Figure 2. Code for demo.
/* File: main.c */
/* This example program was developed using the Motorola
56F800 Demo Board Kit. Follow the kit instalation guide
for creating a CodeWarrior Project. Use the shell of the
new project for this example. Note: This program is for
example only and is not supported by Dallas Semiconductor
Maxim. */
#include "port.h"
#include "stdio.h"
#include "stdlib.h"
/*******************************************************
* Main program for use with Embedded SDK
*******************************************************/
extern sampleASM (void);
void reset_spi(void);
void wbyte_spi(unsigned char);
unsigned char rbyte_spi(void);
#define REG_BASE 0x0000
#define SPI_BASE 0x0F20
#define GPIOB_BASE 0x0FC0
#define SPSCR *(volatile UWord16 *)(SPI_BASE + 0)
#define SPDSR *(volatile UWord16 *)(SPI_BASE + 1)
#define SPDRR *(volatile UWord16 *)(SPI_BASE + 2)
#define SPDTR *(volatile UWord16 *)(SPI_BASE + 3)
#define GPIO_B_PUR *(volatile UWord16 *)(GPIOB_BASE + 0)
#define GPIO_B_DR *(volatile UWord16 *)(GPIOB_BASE + 1)
#define GPIO_B_DDR *(volatile UWord16 *)(GPIOB_BASE + 2)
#define GPIO_B_PER *(volatile UWord16 *)(GPIOB_BASE + 3)
void main (void)
{
unsigned char min=0x58, sec=0x59, hr=0x09, dow=0x04, date=0x23,
mon=0x10, yr=0x03;
reset_spi();
GPIO_B_DR = 0; // disble RTC - CS low
GPIO_B_DR = 0x0008; // enable RTC - CS high
wbyte_spi(0x8f); // control register write address
rbyte_spi(); // dummy read
wbyte_spi(0); // disable write protect
rbyte_spi();
GPIO_B_DR = 0; // disble RTC - CS low
GPIO_B_DR = 0x0008; // enable RTC - CS high
wbyte_spi(0x80); // select seconds register write address
rbyte_spi(); // dummy read
wbyte_spi(sec); // seconds register data
rbyte_spi();
wbyte_spi(min); // minutes register
rbyte_spi();
wbyte_spi(hr); // hours register
rbyte_spi();
wbyte_spi(dow); // day of week register
rbyte_spi();
wbyte_spi(date); // date register
rbyte_spi();
wbyte_spi(mon); // month register
rbyte_spi();
wbyte_spi(yr); // year register
rbyte_spi();
GPIO_B_DR = 0; // disble RTC - CS low
while(1)
{
GPIO_B_DR = 0x0008; // enable RTC - CS high
wbyte_spi(0); // seconds register read address
rbyte_spi(); // dummy read
wbyte_spi(0);
sec = rbyte_spi(); // read seconds register
wbyte_spi(0);
min = rbyte_spi(); // ditto minutes
wbyte_spi(0);
hr = rbyte_spi(); // and so on
wbyte_spi(0);
dow = rbyte_spi();
wbyte_spi(0);
date = rbyte_spi();
wbyte_spi(0);
mon = rbyte_spi();
wbyte_spi(0);
yr = rbyte_spi();
GPIO_B_DR = 0; // disable RTC - CS low
}
return;
}
//SPSCR
//15 14 13 12 11 10 9 8 7 6 5 4 3 2 1
0
// r MSB SPRF ERRIE ovrf modf spte modfen spr1 spr0 sprie spmstr cpol cpha
spe spite
void reset_spi()
{
int val;
SPSCR = 0x0096; // SPR0, SPMSTR, CPHA, SPE
SPDSR = 0x0007; // 8-bit size
SPSCR &= 0xfffd; // clear spe, resets SPI (partial)
SPSCR |= 0x0002; // set spe, new values take effect
GPIO_B_PER = 0x00f3; // use GPIOB3 as CS for RTC
GPIO_B_DDR = 0x000c; // direction is output
}
void wbyte_spi( unsigned char wbyte) // ------ write one byte -------
{
while (!(SPSCR & 0x0200)); // wait for transmitter empty flag
SPDTR = wbyte;
}
unsigned char rbyte_spi(void) // -------- read one byte ----------
{
while (!(SPSCR & 0x2000)); // wait for receiver full flag
return(SPDRR);
}
