双通道42 V、4 A单片同步降压 Silent Switcher@ 2型稳压器,搭载6.2 μA静态电流
LT8650S 42 V、双通道、4 A同步Silent Switcher® 2型稳压器拥有超宽输入电压范围(3 V至42 V),是汽车、工业和其他降压应用的理想选择。其静态电流仅有6.2 µA,输出始终保持稳定——这是汽车环境中一个至关重要的特性,因为在汽车环境中,即使汽车未运行,始终在线型系统也会消耗电池电量。在许多开关稳压器设计中,如果电路板布局未严格遵守布局标准,电磁干扰有可能成为一大问题。与此不同的是,在Silent Switcher 2型稳压器的设计中,可以轻松达到汽车电磁干扰标准的要求,且将对布局的影响降至低点。
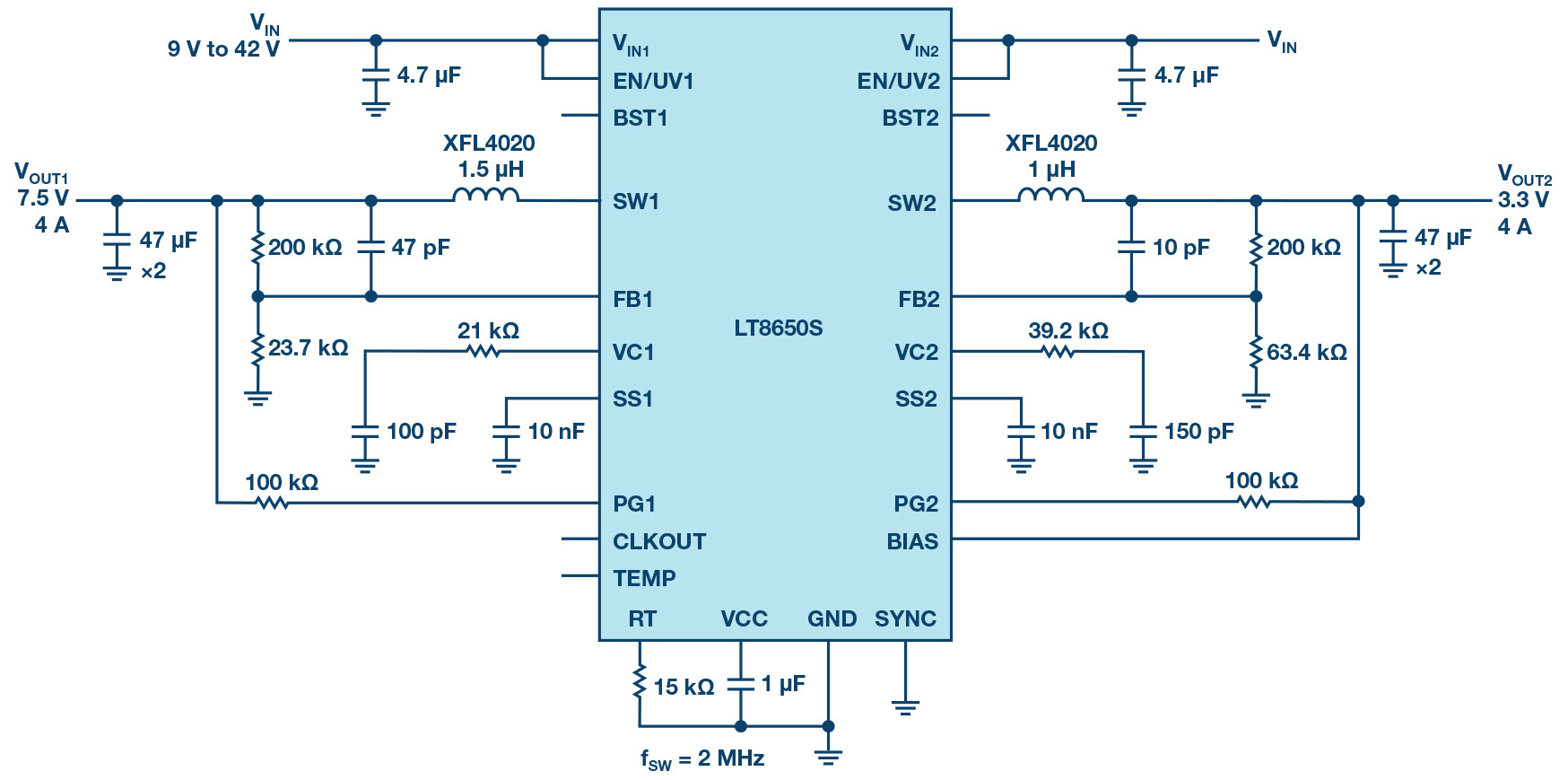
7.5 V/4 A和3.3 V/4 A输出,快速瞬态响应
图1所示为旨在优化瞬态响应的一种双路输出稳压器。虽然LT8650S包括内部补偿机制,但仍然采用了外部补偿机制,这是为了尽量减少瞬态响应时间和输出电压偏移。开关频率为2 MHz,因而可以实现更高的环路带宽和更快的瞬态响应。

图2所示为在0 A至4 A负载阶跃下的输出响应,其中,在输出电压为3.3 V和7.5 V时,VOUT降幅低于100 mV。这一响应加上高初始精度,可以打造出符合严格VOUT容差标准的解决方案。

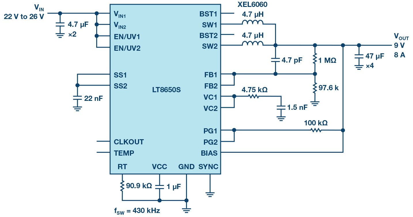
从24 V并行输出9 V/8 A,温度不升高
LT8650S集成了两个同步降压稳压器,采用4 mm × 6 mm封装。可以轻松将两个输出端并联起来,以实现高电流,如图3中的72 W输出、24 V输入设计。全负载下的效率为95%,电路板的热性能如图4所示。在室温下运行时,如果不采用主动式散热机制,IC最热部分的温度达75°C左右。


输入电压为12 V时,温度和效率甚至表现更好。并联时,需要通过把误差放大器的输出端捆绑起来,平衡输出端之间的电流。这可以通过把VC1和VC2连接起来并使用外部补偿的方式来实现。对于要求较大热预算的应用,LT8650H的工作结温为150°C。
面向SoC应用、工作频率为2 MHz的3.3 V/3 A和1 V/5 A电路
许多片上系统(SoC)应用要求外设电压为3.3 V,要求内核电压为1 V。图5所示为用于一种级联拓扑结构的LT8650S,其中,1 V转换器的输入由3.3 V输出驱动。与用市电为VIN2供电相比,级联配置有多种优势,包括解决方案尺寸较小、2 MHz工作稳定等。

LT8650S每个通道4 A的电流额定值源于热限制,但是,如果通过额外的散热手段管控好温度上升问题,每个通道能输出6 A的电流。在图5所示解决方案中,电压为1 V的2号通道的输出功率较低,因此可以输出5 A的电流。
结论
LT8650S具有宽输入电压范围、低静态电流和Silent Switcher 2型设计的特点。将两个4 A同步降压稳压器集成在一个4 mm × 6 mm封装中,有利于减少器件数量,降低解决方案尺寸,同时还能为多种应用带来设计上的灵活性。