AC-Coupled Amplifier Requires No DC Bias
Abstract
Unity gain op amp buffers capacitive transducer and other high-impedance signal sources without the need for bias resistors.
Capacitive transducers and other high-impedance signal sources usually require AC coupling and a buffer amplifier to condition the signal. Buffers take many forms, but most of them compromise signal quality through external resistors which provide a DC path for the input bias current. Fortunately, recent improvements in op amp technology allow AC-coupled inputs without the need for bias resistors.
These new op amps have inputs that operate over the entire supply voltage range. Some are CMOS, but many are implemented with complementary bipolar transistors. For these, each input connects to both an NPN difference pair and a PNP difference pair. By combining these parallel input stages, the second stage ensures a wide input common-mode range.
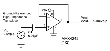
Some op amps exhibit an input-voltage level for which bias current to the NPN pair exactly equals that from the opposite-polarity PNP pair, causing the input bias current to go to zero, as in Figure 1. For the amplifier shown, this effect self-biases the inputs at a level consistently close to 2VCC/3. This voltage can range between 0.5V and VCC-0.5V, however.

Figure 1. This self-biasing op amp buffers a high-impedance AC signal without the use of bias-current resistors.
To avoid the distortion effects that increase with signal deviation from 2VCC/3, you should limit the input signal swings to 500mVP-P. If necessary, downstream circuitry can remove the DC offset while providing gain and filtering. Even with small, low-cost coupling capacitors, this circuit's ultra-high input impedance and absence of bias resistors enables operation well below 1Hz.
A similar version of this article appeared in the March 16, 2000 issue of EDN magazine.