Overview
Features and Benefits
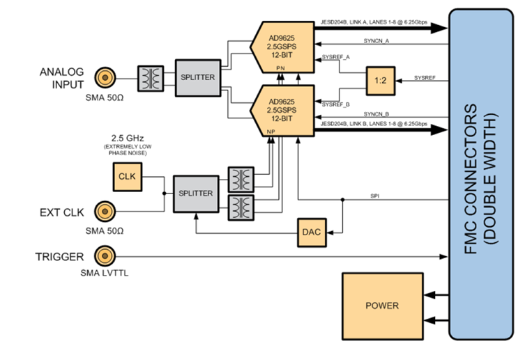
- 2 AD9625 ADC’s interleaved to double sampling rate (shown at 5GSPS)
- Double FMC wide board requiring two fully populated (transceivers mainly) FMC connectors on the carrier board
- Includes reference designs to work with commonly available Altera and Xilinx development boards.
Product Details
The AD-FMCADC5-EBZ is a high speed single channel data acquisition board featuring two AD9625 ADCs. The board is provisioned to sample the single input at an effective sampling rate of 5GSPS, with both the ADCs running at 2.5GHz and sampling at both edges (the clocks are 180 out of phase to each other).Although this board does meet most of the FMC specifications, it is not meant as a commercial off the shelf (COTS) board. If a commercial, ready to go integrate product is required, please refer to one of the many FMC manufacturers.
ADI also provides reference designs (HDL and software) for this board to work with commonly available Altera and Xilinx development boards.
Markets and Technologies
Applicable Parts
Package Contents
AD-FMCADC5-EBZ FMC BoardGetting Started
System Requirements
The minimum requirements for evaluating the AD-FMCADC5-EBZ are a PC capable or running Vivado Design Suite from Xilinx or Altera SDK for OpenCL and the development kit for your FPGA of choice. Fully supported carriers currently include the Xilinx VC707 platform.
Documentation & Resources
-
AD-FMCADC5-EBZ FMC Board7/12/2016WIKI

