TNJ-058:謎の電流帰還OP アンプ(第 3 回)触ると火傷する RIGHT HALF PLANE ZERO に触れてみる
はじめに
前々回の技術ノートTNJ-056からスタートした電流帰還OPアンプ・シリーズ。前回の技術ノートTNJ-057では電流帰還OPアンプAD811を用いたシミュレーションを行い、帰還抵抗により周波数特性にピーキングが出たり、周波数特性が低下したりすることを見てきました。これにより電流帰還OPアンプでは最適な帰還抵抗値が存在するということが分かりました。
しかしそのピーキングのようすは、簡易モデルを使ってのシミュレーションでは得られるものではありませんでした。まだモデル化が不足していたわけです。
そこで今回の技術ノートでは、AD811の特性をシミュレーションしながら簡易モデルを少し変更し(高度化し)、簡易モデルを用いてもピーキングが生じるようにしてみます。
その中では「触ったら火傷をする」ともいえる(?)、右半面ゼロ(Right Half Plane Zero; RHPZ)なんというものも持ち出して簡易モデルを改良してみます。RHPZは個人的にはまだ探究中なのですが…(納得できるところまでまとまったら、別の技術ノートで紹介したいと思います)。ともあれ、お楽しみくださいませ(笑)。
どうでもいい話ですが「ある朝に思い立った日帰りツアー」
この技術ノートは、検閲(笑)が入らないので、思うように執筆することができます。前回も特許文章のトリビア・ネタを記載させていただきました…。
すべての始まりは平昌冬季オリンピック
2018年2月25日(日曜日)、オリンピックにさほど興味がなかった私は、その日の午後、何気なくテレビをオンしました。そこでやっていたのはOAR(Olympic Athlete from Russia)対ドイツのアイス・ホッケー男子決勝。その圧倒的なスピードと圧倒的な体力のぶつかり合いに、それこそ圧倒されました。ホンモノを見てみたいと思いプロ・ホッケー(Asia League Ice Hockey)[1]のWebページを探してみると、そのシーズンはほぼ終了。「ああ残念」と、翌シーズンは行ってみたいなと思ったのでした。
2018年11月17日(土曜日)朝
晩秋の朝、目が覚めると思いました。「そうだ、ホッケーだ…」。「オレ、ホッケー見に行きたい」隣に寝ていた妻に朝一で話をしつつスマホを確認すると、なんともうシーズン後半です。主たる会場は北海道、青森だったのですが、「お!明日、11月18日に日光で開催されるじゃないの!」と気が付きました。チケットは、それも本当に偶然に運よく、並びの指定席、最後の2席が取れました。「おお!では電車!」と、浅草10:29発(往路)きりふり281号、東武日光17:23発(復路)けごん44号の日帰り指定席も運よくゲット!
ここでも圧倒という言葉がふさわしい
試合は日光アイスバックス(ホーム)と王子イーグルス(苫小牧。母体は王子製紙)との対戦でした。座った席(運よくとれた最後の残2席)はアイスバックスの応援団のすぐ前。応援団の応援歌に引き込まれ、気が付くと私もアイスバックスを応援していました。まるでプロサッカーJリーグとプロバスケットBリーグを足して1/2したような会場と応援団の雰囲気です。
しかしゲームのスピードが半端ないです!パックがすごい勢いでパスされます。また他のスポーツならファウルとなるようなラフ・プレーの肉弾戦!リンク壁に「ズドーン!」という音で体をぶつけていきます。まさしくここでも「圧倒」という言葉がふさわしいと思いました。自分もやってみたい…なんて思いませんでしたが(汗)、すっかり虜になってしまいました。
写真を2枚ご紹介しておきましょう。なんと…、今まで見たスポーツ観戦で一番よかったとも感じました。


AD811のセカンダリ・ポールを得てみる
AD811のドミナント・ポールよりも高い周波数にある、「寄生的な要因によるセカンダリ・ポール」の周波数をLTspiceのシミュレーションで得てみましょう。
一般的概念というか、常識的に理解できるOPアンプ内部回路のしくみとして、寄生的な遅れ要素による「セカンダリ・ポール」というものが生じることが多いです。ドミナント・ポールによりOPアンプの主たる特性が決定され、この周波数を超えると-6dB/Octaveで振幅特性が変化していきますが(位相もゼロ°から-90°遅れに変化していきます)、周波数がセカンダリ・ポールを超えると、振幅特性はさらに-6dB/Octave増え、合計で-12dB/Octaveで変化するようになります。位相も-90°から-180°遅れに変化していきます。
この位相遅れによって電流帰還OPアンプにおいて、① ループ・ゲインの位相遅れ特性が形成され、② 帰還抵抗の大きさを小さくしていったとき、ひとつ前の技術ノートTNJ-057で見た、ループ・ゲインのクロスオーバ周波数が上昇することで、③ 位相余裕が低下し、④ 同TNJ-057の図10のようにゲインのピーキングが観測される…という推測ができます。
セカンダリ・ポールは正しく得られるのか
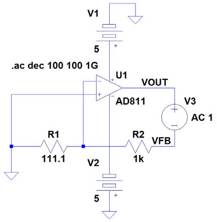
そこでループ・ゲインを得る方法を用いて、AD811のセカンダリ・ポールの値を得てみましょう。図1はこのシミュレーション回路です。帰還抵抗𝑅2をTNJ-056の図9の条件と同じ1kΩと大きめにして、電圧注入法でも誤差要因の影響が出ないようにしてみました(この「誤差要因」については、ループ・ゲイン測定法を説明した、TNJ-054 [2]とTNJ-055 [3]をご覧ください)。電圧帰還OPアンプであれば、見切り良く𝑅2を900Ωにするところでしょうが、別にそれほど拘らなくてもよいとは思いつつ、1kΩにしてみました(笑)。
図2に振幅特性のシミュレーション結果を、図3に位相特性を示します。図2の振幅特性を見てみると、1GHz近くの周波数まで、-6dB/Octave(-20dB/Decade)で減衰しています。これは前回の技術ノートTNJ-057の図12、図13で示した、「RC 1個つづのインピーダンス𝑇(𝑠)のみしか存在しない、1次遅れ系と同じではないか?」と予想させるものではないでしょうか。



つまりAD811では、セカンダリ・ポールは(この図2の振幅特性からは)「ない」と予想されます…。うーむ、それではなぜゲインのピーキングが観測されたのでしょうか。
位相だけが大きく遅れているぞ!
しかし図3の位相特性を見ていただくと、TNJ-057の図13で確認できるような単純な-90°位相遅れではなく、10MHzあたりから、さらに位相が遅れてくることが分かります。
図3を最初に見たと仮定すると、この位相特性から感じることは、「数10MHzあたりにセカンダリ・ポールを持つ系ではないか?」ということです。しかし再度、図2に戻ってみると、振幅特性は-6dB/Octave(-20dB/Decade)で減衰しています。
これは一体どういうことでしょうか。
また図3の10MHzから上あたりの位相遅れは、ドミナント・ポールによる位相遅れより急しゅんであることに気がつきます。その位相遅れも-90°から-180°に変化するのではなく、さらに90°遅れて-270°(もしくはそれ以上)になっていることが分かります。これはそれこそ、どういうことでしょうか。
これはRight Half Plane Zeroがあると考えられる
ラプラス変換を使った回路解析、とくにここでは伝達関数を考えるうえで、さきのドミナント・ポール、もっと簡単にいえば「-3dBの周波数」というのは、ポール(極)というもので形成されます。
系の伝達関数の周波数特性を、ラプラス演算子𝑠をもちいて

と表せたとき、この分母がゼロとなる[𝐻(𝑠)が無限大となる]ときの𝑠を𝑠𝑃とすると

となります。これが「ポール(極)」で、RC 1次ローパス・フィルタではポールは

となります。この単位は角周波数[rad/sec]なので、周波数[Hz]を得るためには、この大きさを2πで割ります。
これは1次の位相遅れ要素になります。
ゼロは分子の項で、かつプラスになるものがRHPZ
一方で系の伝達関数に

という項があったとすると、これは𝑠が大きくなるにしたがい、その大きさ[ベクトルのノルムである|𝐻(𝑠)|]が大きくなり、位相は遅れていくことになります。
式(4)がゼロになる角周波数をゼロ(零)と呼びます。この式(4)がゼロとなる𝑠は

となり「プラス」の大きさになります。これはラプラス平面では(難しいことは理解いただかなくても、この技術ノートでは「ふーん」で構いませんが)、中心から右側(Right)の半平面(Half Plane)にあるゼロ(Zero)として、Right Half Plane Zero(RHPZ)と呼びます。
ここでたとえば、伝達関数が

で、|𝑘𝑃|=|𝑘𝑍|であったならば、𝐻(𝑠)は𝑠に関わりなく、その大きさは|𝐻(𝑠)|=1となります。分母により得られる位相は、𝑠に応じて0から-90°に遅れていくものとなり、分子により得られる位相も、𝑠に応じて+180°から+90°に遅れていくという不思議な動きになります。
ポールとRHPZが同じ周波数のLaplaceモデルでシミュレーションしてみる
これをシミュレーションしてみましょう。図4は式(6)においてポールとRHPZの周波数をともども1Hz(2π rad/sec)としてLTspiceでシミュレーションしてみる回路です。Laplace Transform Functionを
laplace((s-6.283)/(s+6.283))
と設定します。図5にシミュレーション結果を示します。振幅レベルは変化していませんね。
位相については、伝達関数の分母と分子それぞれから得られる位相を足し算したものが、伝達関数全体の位相量となります。𝑠=0では伝達関数の位相は+180°(分子から+180°位相が得られ、分母から0°位相が得られるから)となり、𝑠=+∞では0°(分子から+90°位相が得られ、分母から-90°位相が得られるから)に変化しています。直流の周波数での位相+180°から90°回転して、+90°位相になっているのが、確かにポールとRHPZの周波数である、1Hz(2π rad/sec)となっています。この周波数ではポールとRHPZそれぞれの位相回転が45°づつということです。
図3のAD811の位相特性に式(6)の適用を画策することを考えてみると、必要な位相変化は、スタートである直流で0°位相、周波数が上昇してくると-180°位相だと考えられます(進みのない、遅れ要素のみとして考えると)。これに適合させるためには、式(6)、実際は図4においてLaplace Transform Functionを反転させたかたちにして、
laplace(-1*(s-6.283)/(s+6.283))
とすれば、図6が得られることになります。こうすると無事に0°位相からスタートして、-180°位相に変化していくように構成できます。90°位相が遅れるところが1Hz(2π rad/sec)です。この図は図3においてドミナント・ポールで形成されている90°遅れ位相に、10MHzより上において足し算されるかたちで見えていた変化にかなり近いことが分かります。
また図6では振幅特性は変化していませんから、増幅系にこの成分があっても、ドミナント・ポールで得られる振幅特性に影響を与えないことが分かります。




セカンダリ・ポールとRHPZの位相遅れが足し算されて位相が-90°遅れる周波数
上記までの検討で、図2のAD811の振幅周波数特性は10MHzを超えても6dB/Octaveを維持する変動であり、一方で図3の位相の周波数特性は大きく変化していることが分かりました。そしてそれはAD811のセカンダリ・ポールとRHPZの周波数が等しくなっている状態として(そうなるように構成してあると考えたほうがいいですが)、式(6)を当てはめられそうだと分かりました。
ということで、図3のドミナント・ポールで位相が-90°に漸近している状態から、さらに90°位相が遅れた(全体で-180°になる)周波数が、「セカンダリ・ポールとRHPZが等しくなっている周波数」となります。
この「90°位相が遅れた」というのは、(繰り返しますが)その周波数において、セカンダリ・ポールで45°の遅れ、RHPZで45°の遅れ、この足し算で計90°遅れとなるものです。
この周波数は、AD811のオープン・ループ・ゲインの位相が180°遅れる周波数(180°からスタートなので0°のところ)に相当するわけですが、ここを図3上でマーカを使って測定してみました。その結果が図7ですが、141MHzになっています。
あらためて図2に戻ってみると、この141MHz付近で振幅特性は(若干うねってはいるものの)とくに大きく変化せずに-6dB/Octaveを維持しています。これらのことからAD811のセカンダリ・ポールとRHPZの周波数が141MHzでほぼ同じであり、振幅特性への影響は式(6)のセカンダリ・ポールとRHPZが打ち消しあったかたち(つまり影響を与えない)、また位相特性への影響は図6が足しあわされたかたちになると想定できます。
簡易モデルを改良してAD811に合わせこんでみる
先のTNJ-057で作った簡易モデルに対して、ここまで得られたところのセカンダリ・ポールとRHPZを加えてみましょう。
加える回路は図4のLaplace Transform Functionを141MHzに周波数変更したものです。このループ・ゲインをシミュレーションする回路を図8に示します。E1に直接この設定をしてもよいでしょうが、視認性を意識してわざと別置のE3として
laplace(-1*(s-886E6)/(s+886E6))
と設定してみました。141MHzを角周波数として886Mrad/secで設定してあります。


AD811に近い特性が得られた
これにより得られたシミュレーション結果を図9に示します。低い周波数では180°位相となっており、20kHz付近のドミナント・ポールで180°- 45°= 135°程度になってます。つづいてセカンダリ・ポールとRHPZにより更に位相が遅れてきて、セカンダリ・ポールとRHPZをイコールとして設定した周波数141MHzにおいて180°- 90°- 90°= 0°程度になっていることが分かります。
そしてこの図9の結果はAD811のループ・ゲインの位相特性のシミュレーション結果(図3)とかなり近いことも分かります。
またいちおうループ・ゲインの振幅特性のシミュレーション結果も図10に示します。これもAD811のループ・ゲイン振幅特性シミュレーション結果(図2)とかなり近くなっています。図5などで示してきたように、セカンダリ・ポールとRHPZの周波数を同一として設定していることから、高域での振幅周波数特性は-6dB/Octaveを維持したままになっています。




改良した簡易モデルで周波数特性のピーキングのようすをシミュレーションしてみる
それではこの改良した簡易モデルを用いて、前回のTNJ-057で示した、AD811をG = +2として帰還抵抗値を変えたとき、周波数特性にピーキングが出るようすを再現してみましょう。TNJ-057でのAD811での特性図(TNJ-057での図9)を図11として再掲します。
つづいてここまでAD811に合わせこむように改良してきた、簡易モデルを用いた信号増幅率周波数特性のシミュレーション回路を図12に示します。帰還抵抗RFを係数kで変化させるのは、TNJ-057でAD811の回路に対して行ったシミュレーション(つまり今回の図11)と同じ設定です。
シミュレーション結果を図13に示します。図11では1GHz付近で別のピークが観測できますが、ここは無視したとして、図13の改良版簡易モデルのシミュレーション結果と、図11のAD811のシミュレーション結果とはかなり近いことが分かります。「セカンダリ・ポールとRHPZを付帯させただけ」ともいえる簡易モデルですが、電流帰還OPアンプの動作をかなりのところまでモデル化できました。
まとめ
「触ったら火傷をする」ともいえるRHPZを用いることで、OPアンプ本来のオープン・ループ・ゲインの周波数特性を模倣できることが分かりました。
RHPZは電流帰還OPアンプの解析における本質論ではないわけですが、ゲイン・ピーキングを考慮するうえで導入が必要なものなのでした。電圧帰還OPアンプにおいても同様な周波数特性(振幅・位相)を見ることがあります。セカンダリ・ポールとRHPZは、高速OPアンプ全般で現れるものと考えていた方がよさそうです。
セカンダリ・ポールとRHPZとで簡易モデルを構成して、シミュレーションで確認してみることで、AD811の特性に近い結果が出ることも分かりました。AD811のモデルと改良版簡易モデルそれぞれの高域での周波数特性も、振幅は-6dB/Octaveの変化を維持しており、位相は(高域で)180°大きく回っていることをシミュレーション結果から確認できました。
RHPZが存在せずセカンダリ・ポールだけがあるなら、高域で振幅は-12dB/Octaveで変化し、位相は高域で90°の遅れだけしか付加されないはずです。セカンダリ・ポールだけではAD811の高域特性を表現できていないこともお分かりいただけたかと思います。
RHPZは個人的にはまだ探究中なので、納得できるところまでまとまったら、別の技術ノートで是非ご紹介したいと思います。
日光アイスバックスのオーナーは?
これも2018年11月17日に分かったことです。その日のホッケー観戦で(笑)。さて、最初にご紹介したプロ・ホッケー・チーム日光アイスバックス。オーナーはいったい誰でしょうか?
驚きましたよ…。
そしてその方が日光アイスバックスのオーナーを引き受けたころの経緯を、アリーナのベンチに座りながらスマホを使ってネットで関連記事を読んでみると…。
そのオーナーの男意気に深く感服したものでした。
著者について
デジタル回路(FPGAやASIC)からアナログ、高周波回路まで多...