温度/ビット変換:1デバイスで全センサ・タイプに対応、0.1°
温度測定は、従来から行われていることです。温度の変化を検出できる初歩的な温度計は、ガリレオによって発明されました。その200年後には、熱電対の現象がゼーベックによって発見されました。温度測定には長い歴史があり、現在も世界中で行われていることから、いまや精度の問題はほぼ解決済みと思っている人もいるでしょう。しかし実際は、そうではありません。センサ素子から温度を読み取る方法はよく知られていますが、測定の精度を0.5°Cあるいは0.1°Cよりも高めることは、依然として難しい問題です。LTC2983は、図1に示すように、最大0.1°Cの温度精度(高精度の温度較正器にと比べた測定精度)を実現できます。.

LTC2983は、すべての標準的な温度センサにおける固有の問題を解決して、比類なき一致度と使いやすさを実現します。

図1.さまざまなセンサによるLTC2983の標準的な温度誤差一致
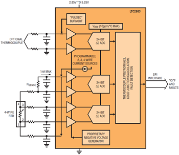
熱電対、温度依存性の抵抗素子(RTDとサーミスタ)、および半導体素子(ダイオード)は、温度を電気的に測定するために広く使用されます。これらのセンサ素子の電気的信号をデジタル化するには、センサ動作、アナログ回路設計、デジタル回路設計、およびファームウェア開発といった、複数の分野について高度な技術が必要です。LTC2983は、これらの技術を1個のデバイスに凝縮し、熱電対、RTD、サーミスタ、およびダイオードに固有の課題をそれぞれ解決します。このデバイスは、センサ・タイプごとに必要なすべてのアナログ回路と温度測定アルゴリズムおよび線形化データを組み合わせ、各センサを直接測定して、結果を°C単位で出力します。
熱電対:概要
熱電対は、先端部(熱電対の温度)と回路基板上の電気的接続部(冷接点温度)の間の温度差の関数として電圧を生成します。熱電対の温度を求めるためには、冷接点温度を正確に測定することが必要です。これは冷接点補償として知られています。
冷接点温度を求めるには、通常、冷接点に別の(熱電対以外の)温度センサを設置します。LTC2983では、ダイオード、RTD、およびサーミスタを冷接点センサとして使用できます。熱電対からの電圧出力を温度結果に変換するため、測定電圧および冷接点温度の両方について、(最大14次の)高次多項式を(数表または数学関数を使用して)解く必要があります。LTC2983には、全部で8つの標準熱電対(J、K、N、E、R、S、T、およびB)だけでなく、カスタムの熱電対用のユーザー・プログラム表データを対象に、これらの多項式が組み込まれています。LTC2983は熱電対の出力と冷接点温度を同時に測定し、熱電対の温度を°C単位で報告するために必要なすべての計算を行ないます。
熱電対: 重要事項
熱電対の発電出力電圧はフルスケールで100mV未満と非常に小さいです。(図2を参照)。その結果、電圧測定を行うA/Dコンバータのオフセットとノイズは小さくなければなりません。更に、この電圧は、高精度/ 低ドリフトのリファレンス電圧を必要とする絶対電圧測定が必要です。LTC2983は、オフセットを常に較正する低ノイズの24ビットΔΣA/Dコンバータ(オフセットおよびノイズが1μV未満)と最大10ppm/°Cのリファレンスを内蔵しています(図3を参照)。

図2.熱電対設計の難題

図3.ダイオードによる冷接点補償を使用した熱電対測定
先端部が冷接点温度より低い温度にさらされると、熱電対の出力電圧もグランドより低くなることがあります。このことから、第2の負電源または入力レベルシフト回路が必要になることで、システムはより複雑になります。LTC2983は、グランド基準の電源1台でグランドより電位が低い信号をデジタル化できる独自のフロントエンドを内蔵しています。
熱電対回路には、高精度測定以外にノイズ除去、入力保護、およびアンチエイリアス・フィルタリングの各回路を組み込む必要があります。LTC2983は入力インピーダンスが高く、最大入力電流は1nA未満です。余計な誤差を増やさずに外付けの保護抵抗およびフィルタリング・コンデンサに適応できます。50Hzと60Hzの両方の場合は75dB、50Hzまたは60Hzいずれかだけの場合は120dBの除去性能を備えたデジタル・フィルタを内蔵しています。
フォルト検出は、多くの熱電対測定システムの重要な機能です。最も一般的に起きるフォルトの事象は開放です(熱電対の故障か、電源プラグが抜けている状態)。この種のフォルトを検出するため、熱電対の入力にはこれまで電流源またはプルアップ抵抗を接続していました。この方法の問題は、これらの誘導信号が誤差およびノイズにつながり、入力保護回路の影響を受けることです。
LTC2983は、故障した熱電対を測定周期の直前にチェックする独自の開放検出回路を内蔵しています。この場合、開放励起電流は測定精度に影響しません。LTC2983は、冷接点センサにおけるフォルトも報告します。このデバイスは、工業環境で長いセンサ接続線を使用する場合に発生する可能性がある静電放電(ESD)の検出、報告、および回復を行うことができます。LTC2983は、測定温度が特定の熱電対の予想範囲を上下いずれかに超えているかどうかの報告をフォルトによって示します。
ダイオード:概要
ダイオードは、温度センサとして使用できる安価な半導体デバイスです。これらのデバイスは、通常、熱電対用の冷接点センサとして使用されます。励起電流をダイオードに流すと、ダイオードは温度と流れた電流の関数として電圧を発生します。比が既知で完全に一致する2つの励起電流源をダイオードに接続すると、絶対温度に比例した(PTAT)電圧が出力されます。
ダイオード:重要事項
このPTAT電圧を生成するには、整合性が高い比率可変型の電流源が2つ必要です(図4を参照)。LTC2983は、ΔΣオーバーサンプリング・アーキテクチャを用いることにより、この比を正確に生成します。ダイオードと、A/Dコンバータに接続するリード線には、寄生ダイオードによる未知の影響が含まれています。LTC2983は、寄生リード抵抗を除去する3電流測定モードを内蔵しています。さまざまなダイオード・メーカーが、ダイオードのさまざまな非理想係数を規定しています。LTC2983では、各ダイオードの非理想係数を個別にプログラミングすることができます。絶対電圧を測定するので、A/Dコンバータのリファレンス電圧の値およびドリフトは重要です。LTC2983は、工場出荷時にトリミングした最大10ppm/°Cのリファレンスを内蔵しています。

図4.ダイオード設計の難題
LTC2983は比率可変電流を自動的に生成し、得られたダイオード電圧を測定し、非理想係数のプログラム値を使用して温度を計算し、結果を°C単位で出力します。ダイオードは熱電対の冷接点センサとして使用することもできます。ダイオードが故障するか、短絡するか、誤って挿入されると、LTC2983はこのフォルトを検出し、冷接点温度を測定するために使用されていた場合は、変換結果出力ワードと対応する熱電対の結果でフォルトを報告します。
RTD:概要
RTDは温度の関数として抵抗値を変化させる抵抗で、(–200°Cの低温から850°Cまでの)広い温度範囲で温度を測定することができます。これらのデバイスのいずれか1つを測定するため、低ドリフトの高精度センス検出抵抗をRTDと直列に接続します。回路網に励起電流が流れて、レシオメトリック測定が行われます。RTDの値(Ω)はこの比から求めることができます。この抵抗は、表索引を使用してセンサ素子の温度を求めるときに使用します。
LTC2983は励起電流を自動的に生成し、検出抵抗とRTD電圧を同時に測定し、検出抵抗を計算して、結果を°C単位で報告します。LTC2983 は、ほとんどのRTDタイプ(PT-10、PT-50、PT-100、PT-200、PT-500、PT-1000およびNI-120)をデジタル化することが可能であり、多くの標準(アメリカ、ヨーロッパ、日本、およびITS-90)に対応する係数を組み込んでいます。
RTD:重要事項
標準的なPT100 RTD(図5を参照)抵抗の変化は、1°Cの1/10 当たり0.04Ω 未満であり、これは100μAの電流励起時の信号レベルでは4μVに対応します。測定を正確に行うには、A/Dコンバータのオフセットとノイズが小さいことが重要です。測定はセンス抵抗に比例するので、温度を計算する際に、励起電流とリファレンス電圧の絶対値はそれほど重要ではありません。

図5.RTD設計の難題
従来は、RTDとセンス抵抗の間のレシオメトリック測定を単一のA/Dコンバータで行ないました。センス抵抗の電圧降下は、RTDの電圧降下を測定するA/Dコンバータのリファレンス入力として使用されました。このアーキテクチャでは、10k以上のセンス抵抗が必要なので、A/Dコンバータのリファレンス入力の動的な電流による電圧低下を防ぐためにバッファを取り付ける必要があります。センス抵抗の値は重要なので、これらのバッファのオフセット、ドリフト、およびノイズは低く抑える必要があります。このアーキテクチャでは、熱電対の寄生効果を排除するために電流源を切り替えることは困難です。ΔΣA/Dコンバータのリファレンス入力は、入力よりもノイズの影響をはるかに受けやすく、リファレンス電圧の値が小さいと不安定性につながることがあります。
これらの問題は、LTC2983の複数のA/Dコンバータ・アーキテクチャによって解決します(図6を参照)。LTC2983は、整合性の高い、バッファ付きの2つの自動較正型A/Dコンバータを、1つは入力に、もう1つはリファレンスに使用します。これらのA/DコンバータはRTDとRSENSEの両方を同時に測定し、RTD抵抗を計算し、これをROMベースの参照表に適用して、最終的にはRTD温度を°C単位で出力します。

図6.LTC2983を使用したRTD温度測定
RTDは、いくつかの構成(2線式、3線式、および4 線式)で供給されています。LTC2983は、構成可能な単一のハードウェア実装により、3つすべての構成に対応します。このデバイスは、1本のセンス抵抗を複数のRTDで共有できます。入力インピーダンスが高いので、誤差を増やすことなく、RTDとA/Dコンバータ入力の間に外部保護回路を接続できます。また、電流励起を自動的に切り替えて、外部の温度誤差(寄生熱電対)を取り除くことができます。検出抵抗の寄生リード線抵抗によって性能が低下する場合、LTC2983ではRSENSEのケルビン検出方式が可能です。
LTC2983は、センス抵抗またはRTDに故障や短絡が発生していないかを判別するためのフォルト検出回路を内蔵しています。この回路は、測定温度がRTDの規格最大値を上下いずれかに超えている場合に警告します。RTDを熱電対の冷接点センサとして使用する場合は、3つのA/Dコンバータが熱電対、センス抵抗、およびRTDを同時に測定します。RTDのフォルトは熱電対の結果に渡され、RTDの温度は冷接点温度を補償するために自動的に使用されます。
サーミスタ:概要
サーミスタは、温度の関数として値を変化させる抵抗です。RTDと異なり、サーミスタの抵抗が変化する範囲は、温度範囲全体で多くの桁数に及びます。これらのデバイスのいずれか1つを測定するため、センス抵抗をセンサと直列に接続します。回路網に励起電流が流れて、レシオメトリック測定が行われます。サーミスタの値(Ω)はこの比から求めることができます。この抵抗は、Steinhart-Hart の式を解くか表データを使用してセンサの温度を求めるときに使用します。
LTC2983は励起電流を自動的に生成し、センス抵抗とサーミスタの電圧を同時に測定し、サーミスタの抵抗を計算して結果を°C単位で報告します。サーミスタは一般的に–40°C ~150°Cの範囲で動作します。LTC2983には、標準的な2.252k、3k、5k、10k、および30kのサーミスタの温度を計算するための係数が組み込まれています。サーミスタには多種多様なタイプと値があるので、LTC2983はカスタムのサーミスタ表データ(RとT)またはSteinhart-Hartの係数でプログラムすることができます。
サーミスタ:重要事項
サーミスタの抵抗(図7を参照)が変化する範囲は、その温度範囲全体で多くの桁数に及びます。例えば、室温で10kを示すサーミスタは、最高温度では100Ω 程度まで低下することがあり、最低温度では300kを超えることがある一方で、別のサーミスタ標準規格では1Mを超える場合もあります。

図7.サーミスタ設計の難題
通常は、値の大きな抵抗に対応するために、値の非常に小さな励起電流源を値の大きなセンス抵抗と組み合わせて使用します。こうすると、サーミスタの範囲の下端では、信号レベルが非常に小さくなります。A/Dコンバータの動的な入力電流をこれらの大きな抵抗から分離するために、入力バッファとリファレンス・バッファが必要です。しかし、バッファは、別の電源がない場合はグランド電位の近くでうまく動作せず、またオフセット/ノイズ誤差を最小限に抑える必要があります。
これらの問題はLTC2983によってすべて解決します(図8を参照)。このデバイスは、グランドより低い電位でも信号をデジタル化できる独自の常時較正型バッファと、複数A/Dコンバータ・アーキテクチャとを組み合わせています。整合したバッファ付きの2つのA/Dコンバータは、サーミスタとセンス抵抗を同時に測定し、サーミスタの温度を(規格に基づいて)°C単位で計算します。値の大きなセンス抵抗は必要ないので、複数のRTDとさまざまなタイプのサーミスタが1本のセンス抵抗を共有することができます。LTC2983は、サーミスタの出力抵抗に応じて励起電流の範囲を自動的に調整することもできます。

図8.LTC2983を使用したサーミスタ温度測定
LTC2983は、センス抵抗またはサーミスタに故障や短絡が発生していないかを判別できるフォルト検出回路を内蔵しています。この回路は、測定温度がサーミスタの規格最大値を上下いずれかに超えている場合に警告します。
サーミスタは熱電対用の冷接点センサとして使用できます。この場合は、3つのA/Dコンバータが熱電対、センス抵抗、およびサーミスタを同時に測定します。サーミスタのフォルトは熱電対の結果に渡され、サーミスタの温度は冷接点温度を補償するために自動的に使用されます。
汎用の測定システム
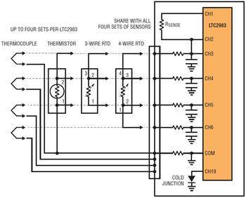
LTC2983は、汎用温度測定デバイスとして構成することができます(図9を参照)。1つのLTC2983に対して最大4 組の汎用入力を加えることができます。これらの各組では、基板上のハードウェアをまったく変更せずに、3線式RTD、4線式RTD、サーミスタ、または熱電対の測定値を直接デジタル化することができます。各センサは、ソフトウェアを使用して構成した、4つの同じA/Dコンバータ入力および保護/フィルタリング回路を共有することができます。1つの検出抵抗は4列の全センサ間で共有され、冷接点補償はダイオードによって測定されます。LTC2983の入力構造では、どのチャネルにどのセンサを使用しても構いません。LTC2983の21箇所のアナログ入力には、RTD、センス抵抗、サーミスタ、熱電対、ダイオード、および冷接点補償の任意の組み合わせを入力できます。

図9.汎用温度測定システム
まとめ
LTC2983は、熱電対、RTD、サーミスタ、およびダイオードの測定値を直接デジタル化する高性能統合温度測定システムで、実験室グレードの精度を備えています。高精度で、容易なセンサ・インタフェースときわめて優れた柔軟性を備えています。
その3つの24ビットΔΣA/Dコンバータは、独自のフロントエンドを使用して、温度測定において一般的に問題となる多くの課題を解決します。高い入力インピーダンスと0V動作の入力範囲により、すべての温度センサを直接デジタル化することと、容易な入力保護が可能です。柔軟な20のアナログ入力を備えているので、SPIインタフェースを介してデバイスをシンプルに再プログラムすることにより、単一のハードウェア設計であらゆるセンサを測定できます。
LTC2983は、冷接点補償を自動的に実行し、任意のセンサを使用して冷接点を測定することが可能であり、フォルト報告機能を内蔵しています。このデバイスは、2線式、3線式、または4線式のRTDを直接測定し、センス抵抗を容易に共有してコストを抑え、さらに電流源を切り替えて熱的な寄生効果を排除することができます。精度の向上と、サーミスタ測定に関連したノイズの低減のため、範囲自動調整型の電流源を内蔵しています。
LTC2983は、内蔵のセンサ・プロファイルの他に、カスタムのユーザープログラマブル・センサ・プロファイルを使用可能にして、非標準の表駆動型RTD、熱電対、およびサーミスタに対応します。