MAX5581のPIC制御:PICマイクロコントローラをMAX5581高速セトリングDACにインタフェース接続する方法

2005年09月15日

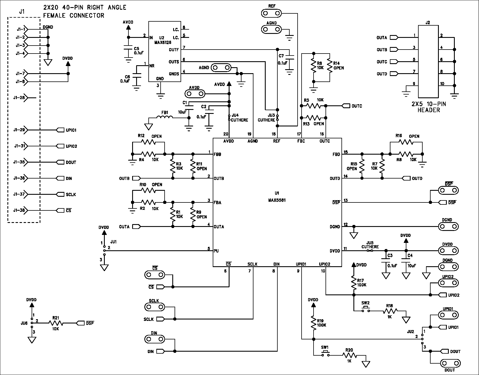
Figure 1

   

要約

このアプリケーションノートでは、MAX5581 DACを用いてPIC®マイクロコントローラを使用する方法について説明します。詳細な回路図とソースコードを提示しています。

MAX5581の概要

MAX5581は、3線式SPIシリアルインタフェースを搭載した12ビット高速セトリングDACです。MAX5581のインタフェースは、最大3マイクロ秒のセトリング時間で最大20MHzまでのSPIをサポートすることができます。このアプリケーションノートでは、最速ラインのPICマイクロコントローラ(PIC18Fコア)をMAX5581 DACに接続するために必要なアプリケーション回路とすべてのファームウェアを紹介しています。例として挙げたアセンブリプログラムは、MPLAB IDEバージョン6.10.0.0にて無償提供されているアセンブラを使用して、PIC18F442向けに記述したものです。

ハードウェアの概要

ここで取り上げるアプリケーション回路は、MAX5581評価(EV)キットを使用しています。このキットにはMAX5581、超高精度電圧リファレンス(MAX6126)、プッシュボタンスイッチ2個、ゲイン設定抵抗器、および検証されたPCBレイアウトが含まれています。PIC18F442は、MAX5581EVキットボード上にはありませんが、図1に示すアプリケーション回路図を完成するために、システムに追加しています。MAX5581EVキットの/CS\、SCLK、DIN、およびDOUTパッドを利用すれば、SPIシリアルインタフェースに簡単に接続することができます。

図1. MAX5581アプリケーション回路図(1/2)

図1. MAX5581アプリケーション回路図(1/2)

図1. MAX5581アプリケーション回路図(2/2)

図1. MAX5581アプリケーション回路図(2/2)

アナログ/ディジタルグランドプレーン

図2に示すように、アナログとディジタルのグランドプレーンを分離するのが懸命な方法です。TDK MMZ1608B601Cなどのフェライトビーズを使用して、両グランドプレーンを接続します。これによって、マイクロコントローラのシステムクロックとその高調波がアナロググランドに流れ込むことを防止しています。PIC18F442のシステムクロックは40MHzですが、特定のインピーダンス対周波数特性のためにMMZ1608B601Cを選択しています。図3はMMZ1608B601Cのインピーダンス対周波数曲線を示しています。

図2. アナロググランドとディジタルグランドの分離

図2. アナロググランドとディジタルグランドの分離

図3. TDK MMZ1608B601Cフェライトビーズのインピーダンス対周波数曲線

図3. TDK MMZ1608B601Cフェライトビーズのインピーダンス対周波数曲線

ファームウェアの概要

リスト1に示すアセンブリプログラムの例は、PIC18F442の内部MSSP SPI周辺回路を使用してMAX5581を初期化しています。PIC18F442の40MHzシステムクロックによって、MSSPは最大10MHzまでのSPIクロック(SCLK)を供給することができます。表1は、電力供給後に必要な唯一の設定ワードを示しています。一度MAX5581の初期化が行われた後は、表2に示すようにプログラムは絶えずゼロスケールに続いてフルスケールをDAC出力レジスタにロードします。これを絶えずループすることによって、図4に示すような方形波が形成されます。これはMAX5581の高速セトリング時間を実証するものです。

図4. 80kHz方形波の実際のスコープ画面

図4. 80kHz方形波の実際のスコープ画面

リスト1:PIC18F442の内部MSSP SPI周辺回路を使用してMAX5581にインタフェース接続する、アセンブリプログラムの例

ダウンロード:P18F442.INC

Listing 1.asm

;******************************************************************************
;                                                                             
;    Filename:		Listing 1 (Absolute Code Version)
;    Date:    		2/25/05
;    File Version:  	1.0
;
;    Author:        	Ted Salazar
;    Company:       	Maxim
;                                   
;******************************************************************************
;
;	Program Description:
;
;	This program interfaces the internal SPI MSSP 
;	(Peripheral) of the PIC18F442 to the MAX5581 SPI 
;	Quad DAC. The program initializes the MAX5581 
;	and dynamically generates a 50% duty cycle square
;	wave with a frequency of 80KHz. 
;
;
;******************************************************************************
;
; History:
; 2/25/05: Tested SPI DAC format
; 2/25/05: Initialized MAX5591
; 12/14/04: Cleared tcount timer in HWSPI_W_spidata_W
;******************************************************************************
;******************************************************************************


;
;******************************************************************************
;                                                                             
;    Files required:         P18F442.INC                                      
;                                                                             
;******************************************************************************
	radix hex               ;Default to HEX
	LIST P=18F442, F=INHX32	;Directive to define processor and file format
	#include <p18f442.inc>	;Microchip's Include File
;******************************************************************************
;******************************************************************************
xmit    equ		06 		; Asynchronous TX is at C6
;
;******************************************************************************
;Configuration bits
; The __CONFIG directive defines configuration data within the .ASM file.
; The labels following the directive are defined in the P18F442.INC file.
; The PIC18FXX2 Data Sheet explains the functions of the configuration bits.
; Change the following lines to suit your application.

;T	__CONFIG	_CONFIG1H, _OSCS_OFF_1H & _RCIO_OSC_1H
;T	__CONFIG	_CONFIG2L, _BOR_ON_2L & _BORV_20_2L & _PWRT_OFF_2L
;T	__CONFIG	_CONFIG2H, _WDT_ON_2H & _WDTPS_128_2H
;T	__CONFIG	_CONFIG3H, _CCP2MX_ON_3H
;T	__CONFIG	_CONFIG4L, _STVR_ON_4L & _LVP_OFF_4L & _DEBUG_OFF_4L
;T	__CONFIG	_CONFIG5L, _CP0_OFF_5L & _CP1_OFF_5L & _CP2_OFF_5L & _CP3_OFF_5L 
;T	__CONFIG	_CONFIG5H, _CPB_ON_5H & _CPD_OFF_5H
;T	__CONFIG	_CONFIG6L, _WRT0_OFF_6L & _WRT1_OFF_6L & _WRT2_OFF_6L & _WRT3_OFF_6L 
;T	__CONFIG	_CONFIG6H, _WRTC_OFF_6H & _WRTB_OFF_6H & _WRTD_OFF_6H
;T	__CONFIG	_CONFIG7L, _EBTR0_OFF_7L & _EBTR1_OFF_7L & _EBTR2_OFF_7L & _EBTR3_OFF_7L
;T	__CONFIG	_CONFIG7H, _EBTRB_OFF_7H

;******************************************************************************
;Variable definitions
; These variables are only needed if low priority interrupts are used. 
; More variables may be needed to store other special function registers used
; in the interrupt routines.

		CBLOCK	0x080
		WREG_TEMP	;variable used for context saving 
		STATUS_TEMP	;variable used for context saving
		BSR_TEMP	;variable used for context saving
		;
		ENDC

		CBLOCK	0x000
		EXAMPLE	;example of a variable in access RAM
		;
		temp    	;
		temp2  
		;
		xmtreg  	;
		cntrb   	;
		cntra   	;
		bitctr  	;

		tcount	;
		speedLbyte	;T Being used in HWSPI_speed
		;
		ENDC
;******************************************************************************
;Reset vector
; This code will start executing when a reset occurs.

		ORG	0x0000

		goto	Main	;go to start of main code

;******************************************************************************
;High priority interrupt vector
; This code will start executing when a high priority interrupt occurs or
; when any interrupt occurs if interrupt priorities are not enabled.

		ORG	0x0008

		bra	HighInt	;go to high priority interrupt routine

;******************************************************************************
;Low priority interrupt vector and routine
; This code will start executing when a low priority interrupt occurs.
; This code can be removed if low priority interrupts are not used.

		ORG	0x0018

		movff	STATUS,STATUS_TEMP	;save STATUS register
		movff	WREG,WREG_TEMP		;save working register
		movff	BSR,BSR_TEMP		;save BSR register

;	*** low priority interrupt code goes here ***


		movff	BSR_TEMP,BSR		;restore BSR register
		movff	WREG_TEMP,WREG		;restore working register
		movff	STATUS_TEMP,STATUS	;restore STATUS register
		retfie

;******************************************************************************
;High priority interrupt routine
; The high priority interrupt code is placed here to avoid conflicting with
; the low priority interrupt vector.

HighInt:

;	*** high priority interrupt code goes here ***


		retfie	FAST

;******************************************************************************
;Start of main program
; The main program code is placed here.

Main:

;	*** main code goes here ***
start  	
;	*** Port Initialization ***
	  	movlw	0x0FF		
        	movwf	PORTB
        	clrf	PORTA
        	movlw	0x06        	;T Configure PortA as Digital    
        	movwf 	ADCON1
        	movlw 	0x00FB 		;T A2 OUTPUT, ALL OTHERS INPUT
        	movwf 	TRISA
        	movlw	0x0001    	;T B0 INPUT, ALL OTHERS OUTPUT
        	movwf	TRISB

        	movlw	0x0093    	;T C7-C0 => bit7-0
        				;T OUTPUTs: C6(TX), C5(MOSI), C3(SCLK), C2(CS) 
        				;T INPUTs:C4 (MISO) and all others 
	  	movwf	TRISC      	;T TRISC bit3 Master = 0		
	  	bsf	PORTC,RC2	;T RC2 = CS\ Make CS\ high

;    	*** SPI Initialization ***
		call	HWSPI_init      ;T Initialize the MSSP for SPI
;    	*** SPI Configuration ***
        	movlw	b'00000000' 	;T load W with test byte for CPOLCPHA 0,0 
					;T b'00000000' => CPOLCPHA 0,0
					;T b'00000001' => CPOLCPHA 0,1
					;T b'00000010' => CPOLCPHA 1,0
					;T b'00000011' => CPOLCPHA 1,1
       		call	HWSPI_W_configure
;    	*** SPI Speed  ***
        	movlw	b'00000000' 	;T load W with test byte for SPI Freq 
					;T b'00000000' => Fosc/4  = 10MHz
					;T b'00000001' => Fosc/16 = 2.5Mhz
					;T b'00000010' => Fosc/64 = 625kHz
					;T b'00000011' => Reserved.
		call 	HWSPI_W_speed
;******************************************************************************	
;    	*** MAX5581 Initialization ***
 		bcf	PORTC,RC2		;T RC2 = CS\ Make CS\ Low 
		movlw	0xEC			;T byte0 of settling time config
		call	HWSPI_W_spidata_W	;T HW SPI WriteRead Operation		
		movlw	0x0F			;T byte1 of settling time config
		call	HWSPI_W_spidata_W	;T HW SPI WriteRead Operation
		bsf	PORTC,RC2		;T RC2 = CS\ Make CS\ high
;    	*** MAX5581 Load All DAC Outputs to Zero Scale ***
Loopforever 	bcf	PORTC,RC2		;T RC2 = CS\ Make CS\ Low 
		movlw	0xD0			;T byte0 of load all input/output to zeros
		call	HWSPI_W_spidata_W	;T HW SPI WriteRead Operation		
		movlw	0x00			;T byte1 of load all input/output to zeros
		call	HWSPI_W_spidata_W	;T HW SPI WriteRead Operation
		bsf	PORTC,RC2		;T RC2 = CS\ Make CS\ high
;    	*** MAX5581 Load All DAC Outputs to Full Scale ***		
 		bcf	PORTC,RC2		;T RC2 = CS\ Make CS\ Low 
		movlw	0xDF			;T byte0 of load all input/output to zeros
		call	HWSPI_W_spidata_W	;T HW SPI WriteRead Operation		
		movlw	0xFF			;T byte1 of load all input/output to zeros
		call	HWSPI_W_spidata_W	;T HW SPI WriteRead Operation
		bsf	PORTC,RC2		;T RC2 = CS\ Make CS\ high	
;        movwf   xmtreg				;T move w to xmtreg
;        call    asyxmtc			;T call UART routine
;
    		goto	Loopforever       	;T loop forever
;******************************************************************************
errsrv  
		movlw	0x65		; load w with 'e' = 0x65
        	movwf	xmtreg          ; move w to xmtreg
        	call	asyxmtc		; call UART routine
dead    	goto  	dead            		; goto endless loop
;******************************************************************************
set_cf_error 
		movlw 	0x00	 	; 0x00 into W
		sublw 	0x00     	; Subtract W-0x00: If W<=N C set; If W>N C clear.
		return           	; error=> cf=set
;******************************************************************************
clear_cf_ok 
		movlw 	0x01	 	; 0x00 into W
		sublw 	0x00     	; Subtract W-0x00: If W<=N C set; If W>N C clear.
		return           	; success=> cf=clear
;******************************************************************************
HWSPI_init				;T SPI MSSP Initialization for M2EAM schematic
					;T CPOL,CPHA = 0,0  => CKP = 0 & CKE = 1

		bcf	SSPCON1,SSPEN	;T Disable the MSSP, SSPCON-5
;      
		bcf	TRISC,SDO	;T TRISC bit5 RC5/SDO = 0 MOSI Output
		bcf	TRISC,SCK	;T TRISC bit3 RC3/SCK = 0 SCLK Output
		bsf	TRISC,SDI	;T TRISC bit4 RC4/SDI = 1 MISO Input
		movlw 	0x0040    	;T SSPSTAT bit8 = 0 sampled in middle
					;T SSPSTAT bit6 = CKE = 1 
      		movwf 	SSPSTAT 	;T Used to be sspstat on older PICs
		movlw 	0x0020		;T SSPCON1 bit5 SSPEN = 1 Enables sycn serial port
        				;T SSPCON1 bit4 = CKP = 0 
        				;T SSPCON1 bit3= 0 = Turn MSSP ON for SPI
        				;T SSPCON1 bit2-0 = 000b = SCLK = Fosc/4 
        				;T SSPCON1 bit2 = 0 = Master
    		movwf 	SSPCON1 	;T Used to be sspcon on older PICs
		bsf	INTCON,PEIE	;T INTCON bit6 = PEIE = 1 = Enable periph interrupt
		bsf	PIE1,SSPIE  	;T PIE1 bit3 = SSPIE = 1 = interrupt enable
		movlw	0x00		;T load 0x00 into W
		movwf	tcount		;T initialize tcount to zero (0x00)
;******************************************************************************
HWSPI_W_configure
;Configure SPI Mode
;
;On Entry:	WREG = confDATA 
;On Exit:	
;On Success: return with C flag clear
;On Failure: return with C flag set
;
		bcf	SSPCON1,SSPEN	;T Disable the MSSP, SSPCON1-5
		movwf	temp	    	;T move the confDATA byte to temp
		btfsc	SSPCON1,SSPM3 	;T In SPI Mode?, skip if yes
        	call 	HWSPI_init	;T MSSP is in wrong mode, Init for SPI
;
		btfsc	temp,1		;T Is bit1 of confDATA byte clear? if so skip next
		goto 	CPOL_1		;T goto CPOL = 1 label => CPOL = 1
		btfsc	temp,0		;T Is bit0 of confDATA byte clear? if so skip next
					;T => CPOL = 0 , CPHA = ?
		goto 	CPOLCPHA_01	;T goto => CPOL = 0 CPHA = 1
;Configure for CPOL = 0, CPHA = 0
		bcf	SSPCON1,CKP	;T SSPCON1 bit4 = CKP = 0 
		bsf	SSPSTAT,CKE	;T SSPSTAT bit6 = CKE = 1 
		btfsc 	SSPCON1,CKP	;T Is SSPCON1 bit4 = CKP = 0 ? 
		goto	badjump		;T CKP bit test error
		btfss	SSPSTAT,CKE	;T Is SSPSTAT bit6 = CKE = 1 ?
		goto	badjump		;T CKE bit test error 
		goto 	okjump2		;OK configured!
;
CPOL_1		btfsc	temp,0		;T Is bit0 of confDATA byte clear? if so skip next
					;T CPOL = 1 , CPHA = ?
		goto	CPOLCPHA_11	;T goto => CPOL = 1, CPHA = 1
;Configure for CPOL = 1, CPHA = 0
		bsf	SSPCON1,CKP	;T SSPCON1 bit4 = CKP = 1 
		bsf	SSPSTAT,CKE	;T SSPSTAT bit6 = CKE = 1 
		btfss 	SSPCON1,CKP	;T Is SSPCON1 bit4 = CKP = 1 ? 
		goto	badjump		;T CKP bit test error
		btfss	SSPSTAT,CKE	;T Is SSPSTAT bit6 = CKE = 1 ?
		goto	badjump		;T CKE bit test error 
		goto 	okjump2		;OK configured!
;		
CPOLCPHA_01
;configure for CPOL = 0, CPHA = 1
		bcf	SSPCON1,CKP	;T SSPCON1 bit4 = CKP = 0 
		bcf	SSPSTAT,CKE	;T SSPSTAT bit6 = CKE = 0 
		btfsc 	SSPCON1,CKP	;T Is SSPCON1 bit4 = CKP = 0 ? 
		goto	badjump		;T CKP bit test error
		btfsc	SSPSTAT,CKE	;T Is SSPSTAT bit6 = CKE = 0 ?
		goto	badjump		;T CKE bit test error 
		goto 	okjump2		;OK configured!
;		
CPOLCPHA_11
;configure for CPOL = 1, CPHA = 1
		bsf	SSPCON1,CKP	;T SSPCON1 bit4 = CKP = 1 
		bcf	SSPSTAT,CKE	;T SSPSTAT bit6 = CKE = 0 
		btfss 	SSPCON1,CKP	;T Is SSPCON1 bit4 = CKP = 1 ? 
		goto	badjump		;T CKP bit test error
		btfsc	SSPSTAT,CKE	;T Is SSPSTAT bit6 = CKE = 0 ?
		goto	badjump		;T CKE bit test error 
		goto 	okjump2		;OK configured!
;		
okjump2		bsf	SSPCON1,SSPEN	;T Re-enable MSSP
		goto	clear_cf_ok
		return 		
badjump	bsf	SSPCON1,SSPEN		;T Re-enable MSSP
		goto 	set_cf_error	;T configuration error
		return
;******************************************************************************
HWSPI_W_speed
;On Entry:	WREG = speedDATA & checks SSPCON1-3 for SPI mode
;                  speedDATA = 0x00 => Fosc/4
;                  speedDATA = 0x01 => Fosc/16
;                  speedDATA = 0x02 => Fosc/64
;                  speedDATA = 0x03 => Timer Divisor (Not working yet)
;
;On Exit:
;On Success: return with C flag clear
;On Failure: return with C flag set
;
		bcf	SSPCON1,SSPEN 	;T Disable MSSP
		movwf 	speedLbyte	;T move speedDATA stored in W to speedLbyte
		btfsc	SSPCON1,SSPM3 	;T In SPI Mode?, skip if yes
        	call 	HWSPI_init	;T MSSP is in wrong mode, Init for SPI
;
;Test if speedLbyte = 0x00. If yes, SPI clock speed = Fosc/4
		movlw	0x00		;T load 0x00 into W
		subwf	speedLbyte,W	;T subtract 0x00 from tcount result in w
		btfss	STATUS,Z	;T test zero flag, skip next instr if z set
		goto	fdiv16		;T goto Fosc/16 section
		bcf	SSPCON1,SSPM1	;T SSPCON1-1 = 0
		bcf	SSPCON1,SSPM0	;T SSPCON1-0 = 0
		goto 	okjump3		;T Fosc/4 was selected
;Test if speedLbyte = 0x01. If yes, SPI clock speed = Fosc/16
fdiv16		movlw	0x01		;T load 0x01 into W
		subwf	speedLbyte,W	;T subtract 0x01 from tcount result in w
		btfss	STATUS,Z	;T test zero flag, skip next instr if z set
		goto	fdiv64		;T goto Fosc/64 section
		bcf	SSPCON1,SSPM1	;T SSPCON1-1 = 0
		bsf	SSPCON1,SSPM0	;T SSPCON1-0 = 1
		goto 	okjump3		;T Fosc/16 was selected
;Test if speedLbyte = 0x02. If yes, SPI clock speed = Fosc/64
fdiv64		movlw	0x02		;T load 0x02 into W
		subwf	speedLbyte,W	;T subtract 0x02 from tcount result in w
		btfss	STATUS,Z	;T test zero flag, skip next instr if z set
		goto	timer		;T goto Timer section
		bsf	SSPCON1,SSPM1	;T SSPCON1-1 = 1
		bcf	SSPCON1,SSPM0	;T SSPCON1-0 = 0
		goto 	okjump3		;T Fosc/64 was selected
;Test if speedLbyte >= 0x03. If yes, SPI clock speed will be set by the timer
;SETTING THE SPI CLOCK WITH THE TIMER WILL RETURN A FAILURE AT THIS TIME.
;Future To do: Implement the TIMER section	
timer		movlw	0x03		;T load 0x02 into W
		subwf	speedLbyte,W	;T subtract 0x02 from tcount result in w
		btfss	STATUS,Z	;T test zero flag, skip next instr if z set
		goto	badjmp2		;T goto error section to return failure
		goto	badjmp2		;T goto error section to return failure
;		bsf	SSPCON1,SSPM1	;T SSPCON1-1 = 1
;		bsf	SSPCON1,SSPM0	;T SSPCON1-0 = 1
;		goto 	okjump3		;T Fosc/64 was selected
					
okjump3		bsf	SSPCON1,SSPEN	;T Re-enable MSSP
		bcf	STATUS,C	;T clear c flag on success
		return 		

badjmp2		bsf	SSPCON1,SSPEN	;T Re-enable MSSP
		bsf	STATUS,C	;T set c flag on failure
		return	
;******************************************************************************
HWSPI_W_spidata_W
;Simultaneously write SPI data on MOSI and read SPI data on MISO
;
;on Entry:	WREG = mosiDATA & checks bit3 of SSPCON1 for SPI mode
;On Exit:	WREG = misoDATA
;On Success: return with C flag clear
;On Failure: return with C flag set
;
		movwf 	temp2		;T move mosiDATA stored in W to WREG_TEMP
		btfsc	SSPCON1,SSPM3 	;T In SPI Mode?, skip if yes
        	call 	HWSPI_init	;T MSSP is in wrong mode, Init for SPI
		movf	temp2,W		;T load W with original mosiDATA
;
		movwf	SSPBUF		;T move byte to transmit to SSPBUF (transmit buffer)
		movlw	0x00		;T load 0x00 into W
		movwf	tcount		;T initialize tcount to zero (0x00)
again1		btfsc	SSPSTAT,BF	;T receive completed? if no, skip next
		goto	okjump1		;T no. goto again
		incf 	tcount,F	;T increment tcount
		movlw	0xFF		;T load w with literal
		subwf	tcount,W	;T subtract 0xFF from tcount result in w
		btfss	STATUS,Z	;T test zero flag, skip next instr if z set
        	goto  	again1        	;T loop until timeout
		goto 	set_cf_error	;T receive timeout error
		return
okjump1 	movf 	SSPBUF,W	;T put received data in W
		goto	clear_cf_ok
		return 		
;******************************************************************************
; UART routine
asyxmtc 	bcf	PORTC,xmit  	;T used to be portc,xmit
        	call	full            
        	movlw	0x08        	;TEST_T "08"      
        	movwf	bitctr          
asyxmt1 	rrcf 	xmtreg,f        
        	btfsc 	STATUS,C        
        	goto  	asyxmt2         
        	bcf 	PORTC,xmit 	;T used to be portc,xmit
        	goto 	asyxmt3         
asyxmt2 	bsf 	PORTC,xmit 	;T used to be portc,xmit
;
asyxmt3 	call	full            
        	decfsz 	bitctr,f        
        	goto  	asyxmt1         
;
        	bsf 	PORTC,xmit 	;T used to be portc,xmit
        	call	full            
        	retlw	0               
;******************************************************************************
; UART baud rate of 115.2kbps using a 40MHz System Clock 
full    	movlw	d'3'            
        	movwf	cntrb
vdly0   	movlw	d'6'             ; d'43' with 4MHz => 2400 baud 
        	movwf	cntra
vdly1   	decfsz 	cntra,f         
        	goto 	vdly1           
        	decfsz 	cntrb,f         
        	goto 	vdly0           
        	retlw	0               
;******************************************************************************
;End of program

		END

</p18f442.inc>

表1. 4つのすべてのDACのセトリング時間を3µsに設定する設定書き込みコマンド

SPI Line C7 C6 C5 C4 C3 C2 C1 C0 D7 D6 D5 D4 D3 D2 D1 D0
DIN 1 1 1 0 1 1 0 0 0 0 0 0 1 1 1 1
表2. すべてのDAC出力をロードするコマンド
SPI Line C3 C2 C1 C0 D11 D10 D9 D8 D7 D6 D5 D4 D3 D2 D1 D0
DIN(1st) 1 1 0 1 0 0 0 0 0 0 0 0 0 0 0 0
DIN(2nd) 1 1 0 1 1 1 1 1 1 1 1 1 1 1 1 1

表2では、最初のコマンドですべてのDAC出力をゼロスケールに設定し、2つ目のコマンドですべてのDAC出力をフルスケールに設定します。



最新メディア 21
Title
Subtitle
さらに詳しく
myAnalogに追加

myAnalog のリソース セクション、既存のプロジェクト、または新しいプロジェクトに記事を追加します。

新規プロジェクトを作成