2つの電源の負荷バランスを取る電流制御IC
故障は許されない。これをモットーにしているのは、今日の常時稼働インフラ(通信ネットワーク、インターネット、電力系統など)の設計技術者でしょう。問題は、このインフラの構成要素(小さなコンデンサから高度なブレードサーバまで)の寿命には限りがあり、マーフィの法則に従って常に最悪のタイミングで故障するということです。故障問題を回避するための対策として良く採られている方法は、冗長性の確保です。つまり、重要部品が故障した場合には、すぐにバックアップできるシステムを必ず用意するのです。
たとえば、高可用性のコンピュータ・サーバは、通常、各基板に電力を供給するほぼ同等な2つのDC 電源を搭載して出荷されます。各電源は単独で全負荷に耐えられる能力を持っており、2 つの電源はパワー・ダイオードを介して互いにダイオードOR 接続され、単一の1 + 1 冗長電源が形成されます。つまり、電圧の高い方の電源が負荷に電力を供給し、もう一方の電源はアイドル状態で待機します。故障や取り外しのためにアクティブな電源の電圧が降下するか失われると、以前は電圧の低い方だった電源がより高い電圧の電源となるので、この電源が負荷を引き継ぎます。ダイオードは電源間の逆給電および相互導通を防止すると同時に、システムを電源の故障から保護します。
ダイオードOR は、電圧の最も高い電源が全負荷電流を供給する、単純な優先方式です。電圧の低い方の電源は、動作実行が呼び出されるまでアイドル状態のままです。1 + 1 の解決策は、実現が容易ですが非効率的で資源が無駄になります。資源をより有効に使用すれば、全体的な動作効率を改善して寿命を延ばすことができます。電源が負荷を分担する方がはるかに優れており、以下に示すいくつかの利点があります。
- 各電源が負荷の半分を担い、電源の熱を分散して電源部品に加わる熱ストレスを軽減すると、電源の寿命は延びます。電子部品の寿命の経験則として、部品の故障率は温度が10℃下がるたびに半減するといわれています。これは、信頼性が大幅に向上することを示しています。
- 電圧の低い方の電源は常に動作状態であるため、バックアップ電源に移行したときに、その電源が知らないうちに既に故障していたという心配はありません。単純なダイオードORシステムでは、そのような不安は残ります。
- 負荷分担システムでは、小型電源を並列に接続して大型電源を構築することが可能です。
- 電源の変更が電源のオン/ オフではなく、電源数の増加/ 減少により行われるので、故障からの復旧がより円滑で迅速です。
- 半分の能力で動作している2 つの電源で形成されたDC/DCコンバータの方が、ほぼ最大限の能力で動作している1 つの電源よりも全体的な変換効率は高くなります。
電流分担の方法
複数の電源の出力を接続すると、各電源が共通の負荷電流を分担できます。負荷電流の複数の電源間での分割は、個々の電源の出力電圧と、共通負荷までの電源経路の抵抗値によって決まります。これは、垂下電流分担として知られています。電源の逆給電を防止して、故障した電源からシステムを切り離すために、各電源と直列にダイオードを挿入します。もちろん、この追加したダイオードの電圧降下は負荷分担のバランスに影響します。
垂下電流分担は単純ですが、分担精度の制御は不十分であり、直列ダイオードには電圧損失および電力損失があります。電流分担のより制御された方法は、電源電流をモニタし、それを各電源で必要な平均電流と比較して、必要な値と電源電流が一致するまで(そのトリム・ピンまたは帰還回路網を介して)電源電圧を調整するというものです。この方法では、各電源からの必要な電流を通知するために、すべての電源を結ぶバスが必要です。電流分担のループ補償は、電源のループ動特性に対応するためにカスタマイズされます。制御された電流分担では、注意深い設計と、すべての電源へのアクセスが必要ですが、それが常に可能とは限りません。
この記事では、電流分担の新しい方法を紹介します。この方法では、個々の電源による寄与分を能動的に制御できますが、垂下電流分担の簡潔さを備えています。このシステムでは、ダイオードが、平衡した電流分担を実現するために調整できるターンオン電圧を持つ調整可能なダイオードに置き換えられます。これにより、垂下電流分担よりも分担精度が向上し、調整可能なダイオードで消費される電力は、電流分担を実現するために必要な最小値に抑えることができ、従来のダイオードでの電力損失よりもはるかに小さくなります。共有バスが不要なので、電源に依存しないより簡易な補償機能と再現性の高い設計を実現します。トリム・ピンや帰還回路網を使用するのが難しいか、その手段がない電源では、この技法が最適です。
電流分担コントローラ
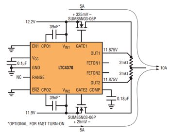
LTC4370 は、リニアテクノロジー独自の可変ダイオード電流分担技法を特長としています。このデバイスは、ターンオン電圧を変更して平衡分担を実現できる可変ダイオードとして機能する外付けのN チャネルMOSFET を使用して、2 つの電源間で負荷のバランスをとります。2 つの12V 電源間で10Aの負荷を分担しているLTC4370 を図1 に示します。負荷分担を実現する内部ブロック図を図2 に示します。エラーアンプEA は、OUT1ピンとOUT2ピンの間の差動電圧をモニタします。EA は2 つのサーボ・アンプ(SA1、SA2)の順方向レギュレーション電圧VFR を、電源ごとに1 つ設定します。サーボ・アンプは、外付けMOSFET 両端の順方向電圧降下が順方向レギュレーション電圧に等しくなるように、MOSFET(したがってその抵抗成分)のゲートを調整します。エラーアンプは、電圧の低い方の電源のVFR を最小値の25mV に設定します。電圧の高い方の電源のサーボ電圧は、2 つの電源電圧の差に25mVを加えた値に設定されます。従って、2 つのOUTピンの電圧は等しくなります。OUT1 = OUT2 は、I1 • R1 = I2 • R2であることを意味します。したがって、R1 = R2 の場合は、I1 = I2となります。値の異なる検出抵抗に対しては、簡単な調整を使用して比例分担を設定できます。つまり、I1/I2 = R2/R1となります。負荷電圧は最も低い電源電圧より25mV低い値になることに注意してください。

図1.ダイオードOR接続された2つの12V電源間で10Aの負荷電流のバランスを取るLTC4370。電流分担は、MOSFETの電圧降下を調整して、電源電圧の不整合を相殺することによって実現する。

図2.LTC4370の負荷分担関連の内部ブロック図
MOSFETとサーボ・アンプの組み合わせ回路は、ターンオン電圧が順方向レギュレーション電圧と等しいダイオードのように動作します。MOSFETは、その順方向電圧降下がレギュレーション電圧より小さくなるとオフになります。MOSFET の電流が増加すると、ゲート電圧が上昇してオン抵抗を減少させ、順方向電圧降下をVFR に維持します。この動作が行われるのは、ゲート電圧が調整範囲から外れてソースより12V高い電圧になるまでです。電流がさらに増加すると、MOSFET 両端間の降下電圧は、IFET • RDS(ON)として直線的に増加します。
従って、エラーアンプがサーボ・アンプの順方向レギュレーション電圧を設定することと、MOSFET ベースのダイオードのターンオン電圧を調整することは、機能的に同等です。調整範囲は、最小値の25mVから、RANGEピンで設定される最大値までです(後述の” 設計上の検討事項” を参照)。
このコントローラが負荷を複数の電源で分担できるのは、0V ~ 18V の範囲です。2 つの電源が両方とも2.9Vより低い場合は、VCCピンに2.9V ~ 6V の範囲の外部電源を接続して、LTC4370 に電力を供給する必要があります。逆電流の条件では、MOSFET のゲートは1μs 以内にオフします。順方向電圧降下が大きい場合も、ゲートは1μs 以内にオンします。電圧の低い電源の場合に重要な高速ターンオンを実現するには、内蔵のチャージポンプ出力に蓄電(平滑)コンデンサを接続します。このコンデンサは、デバイスの電源投入時に充電され、高速ターンオン時に1.4Aのゲートプルアップ電流を供給します。
EN1ピンおよびEN2ピンは、それぞれのチャネルのMOSFET をオフするために使用できます。電流は引き続きMOSFET のボディ・ダイオードを流れるので注意してください。2 つのチャネルが両方ともオフになると、デバイスの電流消費量は電源当たり80μAに減少します。FETON 出力は、MOSFET がオンまたはオフのいずれの状態であるかを示します。
電流分担特性
LTC4370 の電流分担特性、調整可能なダイオード方式を図3 に示します。ここには2 つのグラフがあり、いずれもX 軸は電源電圧の差(ΔVIN = VIN1 – VIN2)を示しています。上側のグラフは負荷電流で正規化した2 つの電源電流を示します。下側のグラフはMOSFET両端の順方向電圧降下VFWDx を示します。2 つの電源電圧が等しい(ΔVIN = 0V)場合は、電源電流が等しくなり、2 つの順方向電圧は最小サーボ電圧である25mVになります。VIN1 がVIN2 より大きくなる(ΔVIN が正になる)と、VFWD2 は25mVのままですが、VFWD1 は、ΔVIN によってOUT1 = OUT2 が維持される値まで増加します。これにより、I1 = I2 = 0.5ILOADが実現されます。

図3.電源電圧の差が変化するのに応じたLTC4370手法の電流分担特性。
RANGEピンで設定されるVFWD の調整には上限があります。図3 の例では、この制限値は525mV で、RANGEピンを500mV にすることで設定されます。VFWD1 がいったんこの制限値に達すると、電流分担は不平衡になり、VIN1 がさらに上昇するとOUT1 の電圧はOUT2 の電圧より高くなります。
不平衡状態は、VFR(MAX) – VFR(MIN) ≧ 500mVで、この条件では多くの負荷電流が電圧の高い方の電源から供給されます。OUT1 – OUT2 = ILOAD • RSENSE になると、全負荷電流がI1 に移ります。ここはMOSFETM1での電力損失が最大になる動作点です。全負荷電流が最大順方向電圧降下でM1を流れるからです。たとえば、10A の負荷電流が流れると、MOSFET での損失は5.3W(= 10A • 525mV)になります。ΔVIN がさらに増加すると、コントローラはM1 両端の順方向電圧降下を最小値の25mVまで徐々に減少させます。これにより、負荷電流が分担されないときにVIN が大きくなった場合、MOSFET での電力損失が最小限に抑えられます。この動作は、負のΔVIN の場合にも同様に行われます。
この例での電流分担が行われるための電位差の許容範囲は500mVであり、RANGEピンの電圧で設定されます。この範囲では、コントローラは±250mVの許容誤差で電源を分担できます。これを言い換えると以下のようになります。3.3V 電源の許容誤差は±7.5%、5V電源の許容誤差は±5%、12V 電源の許容誤差は±2% です。
設計上の検討事項
負荷分担設計におけるいくつかの概略の検討事項を以下に示します。
MOSFET の選択 — 理想的には、MOSFET のRDS(ON) が十分小さいものを選び、コントローラがMOSFET 両端での順方向レギュレーション電圧の最小値である25mVをサーボ制御した場合、MOSFET を流れる電流が負荷電流の半分になるようにします。RDS(ON) が大きいと、コントローラは25mVを制御できません。この場合、制御されていない電圧降下の値は0.5IL • RDS(ON)です。この電圧降下が大きくなると、(今度はVFR(MAX) – 0.5IL • RDS(ON)で定義される)分担の区切り点が早めに出現し、許容範囲が縮小します。
MOSFET は、図3 に示すように最大でIL • VFR(MAX) の電力を損失するので、MOSFETのパッケージおよびヒートシンクは適切に選択することが必要です。MOSFET での電力損失を少なくする方法は、より高精度な電源を使用するか、電流分担範囲を狭くする以外にはありません。
RANGE ピン — RANGEピンは、アプリケーションの電流分担の電位差の範囲を設定します。その結果として、この範囲は電源の精度に依存します。たとえば、許容誤差が±3% の電源を備えた5Vシステムでは、2 • 5V • 3% つまり300mVの電位差範囲が必要になります(電圧が高い方の電源は5.15V で、電圧が低い方は4.85V です)。RANGEピンからは、高精度の内部プルアップ電流10μA が流れます。RANGEピンに30.1k の抵抗を接続すると、RANGEピンの電圧は301mVに設定されるので、コントローラは300mVの電源電位差を補償できます(図4 参照)。

図4.ステータス表示灯付きの5VダイオードOR負荷分担回路。赤色LEDのD1は、いずれかのMOSFETがオフになると点灯し、分担状態が中断していることを示す。
(図1 に示すように)RANGEピンを開放のままにすると、可能な最大分担範囲である600mVが得られます。ただし、サーボ電圧がダイオード電圧に近づくと、電流はMOSFETのボディ・ダイオードを流れることができるので、分担の損失が発生します。RANGEピンをVCC に接続すると、負荷分担が無効になり、デバイスはデュアル理想ダイオード・コントローラに変わります。
補償 — 負荷分担のループは、COMPピンとグランドの間に接続された1 個のコンデンサによって補償されます。このコンデンサの容量は、MOSFET のゲート容量CISS の50 倍にする必要があります。高速ゲート・ターンオンを使用しない(CPOピンにコンデンサを接続しない)場合、容量は10×CISS に設定します。
センス抵抗 — センス抵抗の精度と値は、負荷分担の精度を決定します。抵抗の電圧降下が大きくなると、精度が向上します。エラーアンプの最大オフセット電圧は2mVです。したがって、検出抵抗の電圧降下が25mVの場合、分担の誤差は4% になります。精度よりも電力損失の方が重要な場合は、抵抗値を小さくすることができます。
まとめ
複数の電源間で負荷電流のバランスを取ることは、常に困難な問題であり、手品を使って綱渡りの曲芸を見せるようなものです。電源モジュールや電源の構成要素に組み込みサポートが用意されていない場合、一部の設計者は、十分に制御されたシステムを設計するのに多大な時間を費やします(さらに、電源タイプが変わるたびにシステムを再設計することになります)。その他の設計者は、粗削りな抵抗ベースの垂下電流分担法で我慢します。
LTC4370 は、負荷を分担する電源に対して、他のコントローラとはまったく異なる手法を取り入れています。この手法を使うと設計が容易になります。特に、稼働中の微調整に適していない電源の設計が当てはまります。また、この手法はさまざまな種類の電源に適用できます。ダイオード本来の動作により、電源が逆電流から保護され、故障している電源からシステムが保護されます。LTC4370 は、複雑な問題に対して、単純で明快な小型のソリューションを提供します。