新しいCCII電流コンベア
要約
第2世代電流コンベヤオペアンプ(CCII)は、その電圧フィードバック姉妹製品よりも高い帯域幅を提供し、RFミキサ、高周波高精度整流、および医療アプリケーション(電気インピーダンス断層撮影など)で使用することができます。従来のオペアンプは、利得帯域幅積の制限のため、高周波アプリケーションで使用することはできません。
はじめに
電流コンベアは、オリジナル設計すなわちCCI (理想的なトランジスタとして見なすことが可能)が1968年にSmith and Sedraによって初めて提案されてから活躍しています¹、²。その後、CCIは1970年にさらに多用途の第2世代デバイスCCIIに引き継がれました³。電流コンベアの設計はこれまで主としてBJT (バイポーラトランジスタ)でしたが、これは、BJTがそのCMOS対応製品と比較して高いトランスコンダクタンス値を持つためです。電流コンベアは、標準オペアンプで使用される従来型電圧フィードバックではなく電流フィードバックを備えた低電力アンプMAX4223のような電流フィードバックオペアンプとして使用されています。これは、電流フィードバックオペアンプが標準オペアンプの従来の利得帯域幅によって制限されず、その電圧フィードバック姉妹製品よりも格段に高い帯域幅を提供することができることを意味します。
電流コンベアは、従来の設計ではその利得帯域幅積によって制限されるためにこれまでのオペアンプを使用することができなかった高周波アプリケーションで使用されています。理論的には、電流コンベアはその設計で使用されるトランジスタのftによって制限されるだけです。現在、電流コンベアが使用される一部のアプリケーションには、RFミキサ、高周波高精度整流、および医療アプリケーション(電気インピーダンス断層撮影:EIT)があります。
バイポーラコンベア
下の図1のダイアグラムは、バイポーラデバイスを使用して実装された電流コンベアを示しています。

図1. バイポーラCCII
図1から、CCIIコンベアが理想的なトランジスタとしてモデリング可能であることがわかります。
Y:ベース/ゲート
X:エミッタ/ソース
Z:コレクタ/ドレイン
このタイプの回路は、BJTの回路として正しく機能します。トランスコンダクタンスとBJTのEarly電圧がCMOSデバイスの場合よりも格段に大きいためです。そのため、電流コンベアはソースフォロワとして正しく機能します。利得X/Yは、1に近似しています。Zは、固有の高出力インピーダンスを持ち、そのCMOS対応製品では模倣することができません。
CMOSソースフォロワ
上述したように、CMOSフォロワの主な問題は、低gmとEarly電圧(1/lambda)の不足です。これは、利得不足と同じです。電圧フォロワの利得はこれらの2つのパラメータが大きいことに大きく依存しているためです。これは次の式で観察することができます。

ここで、gLはCMOSデバイスの負荷コンダクタンス、gdsはドレインソースコンダクタンス、およびgmはトランスコンダクタンスを表します。
TSMC 0.18µm、1kΩの負荷でのシミュレーションの標準的な利得は、0.7の利得になります。1の理想利得に比較して、これは、出力利得において30%の損失を表します。
電流コンベアソースフォロワ
バッファなしのアンプ(図2a)を使って、1の利得を持つソースフォロワを模倣できます。次に、この変更を図1の基本設計に追加し、CCII電流コンベアを作成することができます。

図2a. シンプルなソースフォロワ
図2aは図2bに示すように実装することができます。

図2b. CCIIバッファなしのソースフォロワと実装
図2bから、出力Xが入力のLong Tail Pairの1つ(X')にフィードバックされることがわかります。Long Tail Pairのもう1個の入力はYで、入力YはM1に流れる電流を変化させます。M2はM3と異なり、M4は電流ミラーです。
M2とM4の間には電流差があります。この不均衡は、デバイスM5のゲート/ソース容量Cgsに電流を流入/流出を行うことよって解決されます。出力X'がYの出力に一致するまで、帯域幅制限はこのトランジスタが放電および充電することができるレートとして定義されます。したがって、帯域幅制限は次のように定義することができます。

バッファなしのアンプを使用する電流コンベア(CCII+)
図2から、電流コンベア(CCII+)の1番目の部分を認識することができます。電流コンベア(CCII+)の残り部分を構築するには、出力X'からの電流を単にミラー化すれば済みます。Zの出力を与えるには、図3の例を参照してください。

図3. バッファなしのアンプを使用する電流コンベア(CCII+)
M5/M6からの電流は、M7/M8によって単純にミラー化され、CCII+の出力Z(-)を供給します。
Zの出力インピーダンスは、必要に応じて、カスコードでM7/M8に追加すると向上させることができます。電流をうまく模倣するには、Xの出力インピーダンスがZのそれと整合する必要があることを理解している必要があります。すなわち、M7/M8上の同じトランジスタタイプと確認をM5/M6上で行う必要があります。
CCIIの利得は次のようにシンプルです。

CCII+からCCII-への変換
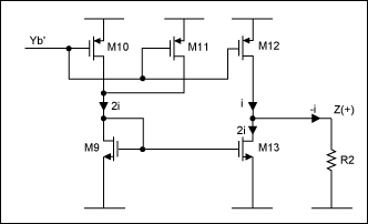
バイアスポイントYb' (図3)を取り出し、単純に別途の接続を追加します(図4参照)。

図4. CCII-として設定された電流コンベア
図4から、すべてのトランジスタのサイズが同じで、Yb' (図3からのバイアスポイント)が取られる場合、電流2iがM10およびM11から生成されます。これはM9によってミラー化され、M13から2iの電流を供給します。M12は、iの電流を供給し、Z(+)から-iの電流を供給するため、真のCCII-出力を供給します。この方式には問題があり、Z(+)が+i項の代わりに、-i DC項を持つようになっています。その結果、2i DC項がZ(+)の出力に追加されて-iを補償する必要があります。下の図5はこの追加を示しています。

図5. DCバイアスが追加されたCCII-出力
図5から、トランジスタM14およびM15は、M13によって引かれるDC電流を補償するように適切な電流を提供します(M14およびM15はM12に整合する必要があります)。R3の電流をi(DC) - i'に等しくします。R3およびR2は整合する必要があることに留意してください。これらの値に不整合がある場合、各出力DCが異なることを意味します。
VBIAS回路
必要かつ適切な電圧VDCBIASを生成してM14およびM15のDC電流を維持させるには、VDCBIAS (図5)はノードYb'と同じDC値を持つ必要があります(図4および5)。これを行うには、フロントエンド段を単純に模倣し、この段(VINDC)に、入力信号のDC値を入力バイアス電圧として与えます(図6参照)。

図6. DC補償回路(図5)のVBIAS回路
この設計の唯一の問題は、別の抵抗(R4)が必要で、R4が再びR2およびR3に整合する必要がある点です。
シミュレーション結果
CCII+を図3のように使用し、TSMC 0.18µmプロセス(R1 = 1kΩ、R2 = 1kΩ)を使用した場合、利得は1になります。このデバイスの3dB帯域幅は2.5GHzで、41dBの電源除去比(PSRR)での利得は0.972でした。
これらの結果は、カスコードデバイスを使用してM5/M6とM7/M8を置き換えることによって向上し、900MHzの帯域幅を供給し、利得は0.993に向上しました。PSRRも51dBにおいて改善されました。
参考文献
¹K.C. Smith、A. Sedra共著 「The Current-Conveyor — A New Circuit Building Block」 IEEE Proc、Vol. 56、1968年発行、pp. 1368~1369
²C. Toumazou、John Lidgey、Alison Payne共著「Practical Integrated Current-Conveyors, Current Mode Circuits Techniques in Analog High Frequency Design」1996年7月発行、第5.2章、pp. 69~80
³K.C. Smith、A. Sedra共著「A Second Generation Current-Conveyor and its Applications」IEEE Trans、CT-17、1970年発行、pp. 132~134
このアプリケーションノートは、2007年8月/9月に、「Chip Design Magazine」に掲載された記事を元にしています。