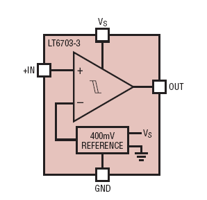
マイクロパワー低電圧コンパレータとリファレンスを組み合わせたLT6703は、1個のコンパレータと高精度リファレンスを2mm×2mm DFNパッケージに収納しています。LT6703-3は非反転入力を備えたバージョンです。コンパレータの入力のうち使用できるのは1つのみですが(もう一方の入力は、内部の400mV高精度電圧リファレンスに接続)、小型であることから、部品密度が非常に高い回路基板に容易に実装可能です。

しきい値電圧には、リファレンス精度とコンパレータのオフセットが影響しますが、25ºCで±1.25%の精度が保証されています。このしきい値精度は、組み込まれた6.5mVのヒステリシスとともに、ゆっくり変化する入力の場合でも信頼できるクリーンなスイッチングしきい値を与えます。コンパレータの6.5mV(標準)の内部ヒステリシスは、入力にノイズがあっても安定した動作を保証するので、設計を簡素化します。また、状態が変化したときの負荷トランジェントにより誘起される可能性のある電源レールのノイズを除去します。この内部ヒステリシスは、立ち下がりの入力しきい値電圧が公称393.5mVになるように設計されています。実効ヒステリシスを大きく(たとえば2Vに)する必要がある場合は、外付けの正帰還回路を使用することができます。しかし、このような回路は立ち上がりと立ち下がりの両方の入力しきい値に影響を与えます(実際の内部しきい値は影響を受けません)。

LT6703は、温度範囲が広く、スペース要件が厳しい設計に対応する特性を備えており、しきい値検出アプリケーションを必要とする多くの設計に対する柔軟なソリューションとなります。独自のOver-The-Top®機能により、携帯型のバッテリ駆動製品に加え、インダストリアル・グレードや高温グレードのシステム・モニタリング・アプリケーションに最適な汎用性と優れた性能を提供します。