低ノイズ計装アンプを使用した高性能システムの設計
低ノイズ計装アンプとは
低ノイズ計装アンプは、ノイズの多い環境や不要な高電圧が存在する状況でも、非常に小さな信号を測定できる極めて感度の高いデバイスです。このデバイスは、2 つの入力に共通の電圧を除去しながら、入力間の差分を増幅することでこの機能を実現しています。低ノイズ計装アンプは、非常に低い広帯域ノイズと 1/fコーナを組み合わせて構成されているため、最も要求の厳しい高精度アプリケーションに有効です。
低ノイズ計装アンプを必要とするシステム
一般的に、生成する信号が弱すぎてデータ・コンバータに直接接続できない場合に、センサーの高精度な増幅やコンディショニングが必要になります。極めて小さな狭帯域信号を生成するセンサーがあれば、広帯域幅にわたる多様な周波数成分を持ち、時間変動する信号を生成するセンサーもあります。どちらの場合でも、このような信号はシステムのノイズ・フロアより上になるように増幅する必要があります。これらのシステムは、大きなコモンモード電圧(通常、AC電源周波数)が存在するノイズの多い環境で動作する間も、性能を維持する必要があります。
このタイプのアンプを使用するアプリケーション
低ノイズ計装アンプは、今日の最も困難な課題を解決するために使われます。これらの課題には、信号のモニタリングやデータ解析、物理的な測定ツールに使用できる高精度アンプが必要です。アプリケーションで使用される例には以下のようなものがあります。
- 鉱物資源およびエネルギー資源の掘削や探査に使用されるデータ・ロギング・システム
- カテーテルを用いた心臓のアブレーションなどの方法によって心臓の不整脈を修正する手術器具
- 機械や車両の安全性を向上させるモーダル振動解析ツール
その他のアプリケーションとして、マイクロフォンのプリアンプ、音響変換器、圧電センサーのコンディショニング、血圧計、脳痙攣の診断(EEG)、心臓モニタリング(ECG)、磁気センサーのコンディショニング、および電力モニタリングなどがあります。
計装アンプでノイズを仕様規定する方法
オペアンプのような計装アンプは、入力または RTI としてノイズを仕様規定します。つまり、すべてをアンプの入力に現れているかのように計算します。オペアンプと異なり、計装アンプは出力段からのノイズ、つまり eno があり、RTI 値を求めるにはこのノイズをゲインで除算する必要があります。アンプ出力換算(RTO)ノイズは、RTI ノイズとアンプのゲインとの積になります。
総ノイズ密度を計算する方法
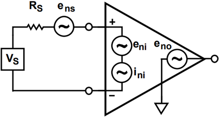
図 1 に計装アンプの簡単なノイズ・モデルを示します。総ノイズを測定するためには、アンプ入力から見たソース抵抗を考慮する必要があります。計装アンプに接続されたセンサーはいずれも何らかの出力抵抗がありますが、この抵抗はセンサーのタイプによって大きく異なります。計装アンプの入力を保護するために使用する任意の抵抗と直列に接続した抵抗が図 1 で RS として示される総ソース抵抗となります。この抵抗値は 2 つの方法でノイズに影響します。どれほど精緻に作られた抵抗でも、抵抗値の平方根に比例した最小レベルの熱ノイズを持っています。しかも、電流ノイズ iniは RSを介して電圧に変換されます。つまり、電圧ノイズ eni および eno(これらは RS の影響を受けません)、ソース抵抗の熱ノイズ ens、電流ノイズ iniが 3 つの主要ノイズ源となります。

図 1. 計装アンプのシンプルなノイズ・モデル
総ノイズ密度を求めるには、これらのノイズの影響を次のようにすべて合算します。

アンプ回路のノイズの詳細な分析については、アプリケーション・ノート AN-940 を参照してください。
アプリケーションに最適な低ノイズ計装アンプを選択する方法
最適な低ノイズ・アンプは常に、nV/√Hz 入力電圧ノイズが最小値のアンプであるとは限りません。ノイズの影響を受けやすいアプリケーションで最適なアンプを特定するためには、ゲインやソース抵抗、周波数範囲について考慮する必要があります。図 2 は、ほぼすべてのソース抵抗に対し、最適なノイズ性能を提供するアナログ・デバイセズの 3 つの計装アンプの総ノイズを表しています。

図 2. 総ノイズとソース抵抗の関係
どのアンプを選んでも、低RSでは電圧ノイズが支配的で、高RSでは電流ノイズが支配的となります。特定のソース抵抗において支配的となるノイズ源を判断するには、次式を参照してください。


ソース抵抗が RL未満の場合は、電圧ノイズが支配的となるため、可能であれば低電圧ノイズのアンプを使用する必要があります。ソース抵抗が RHを超える場合は、電流ノイズが支配的となるため、低電流ノイズのアンプを使用する必要があります。
上記の例では、RS 値がおよそ 5kΩ から 10kΩ の場合、これらの計装アンプのノイズ性能はいずれも類似もしくは同等です。この時点で、帯域幅や電力、歪み、コストなどシステムの他のパラメータを最適化することを考慮してください。
低ノイズ計装アンプを独自に構築
ディスクリートの低ノイズ計装アンプを構築することは可能ですが、そのためには克服しなければならない課題がいくつかあります。例えば、高い同相ノイズ除去、低ドリフト、広帯域幅、低歪みを可能にすることなどです。ディスクリートの設計で上記のパラメータを得るのは極めて困難な上、複数コンポーネントの使用やコストのかかる調整、高い電力消費、大きなフットプリントも必要になります。アナログ・デバイセズの低ノイズ計装アンプは、最先端のアプリケーションでの使用に最適なソリューションを提供します。