要約
このアプリケーションノートでは、スイッチングレギュレータの3つの基本的な制御アルゴリズムを検討します。それぞれの利点と難点について説明し、高速で安定した応答が得られる適正なループ補償手法について指針を示します。
このアプリケーションノートと同様の記事が、2017年12月28日に「Power Electronics」に掲載されました。
はじめに
線形システムに対するフィードバック制御機構は、少なくとも17世紀から存在しています。挽き臼石の間の圧力と距離を調整するために使用されましたし、その後、よく知られたところでは、ジェームズ・ワットの蒸気機関の制御に使用されました。そうした初期の技術が、今日利用されているリニア電圧レギュレータの制御にも応用されています。今日の電源に関わる議論では、スイッチング技術がよく採用される選択肢となっています。そうした理由から、一般にパルス幅変調(PWM)技術を用いる出力電圧の制御について検討することは重要です。このアプリケーションノートでは、3つの一般的な制御方式(コンスタントオンタイム、電圧モード、電流モード)を取り上げ、それらの利点および難点や実装について検討します。
最も簡単な制御方式:コンスタントオンタイム
コンスタントオンタイムは、バックコンバータ回路で使用される最も簡単な制御方式と考えられます。この方式では、出力に対して一定期間にわたってエネルギーのバーストを供給します。出力電圧を一定に保つため、このバーストの反復周期は変化します。図1は、固定長パルスを発するワンショット(単安定)回路を示しています。出力インダクタの電流を平均DC値からリニアに増大させ、出力コンデンサを充電します。このパルスの後、コンデンサの電圧は降下します。電圧が基準値を下回った時に次のオンパルスを起こせば、実質的に出力電圧を安定化することができます。低負荷時にはオフタイムが長くなります。この回路は正のフィードバックを備え、電力発振器のように動作するため、「バン-バン(bang-bang)」または「リップル」レギュレータと呼ばれることもあります。オフタイムが変化することから、この回路は本質的に可変周波数となります。
図1. コンスタントオンタイム制御。
この方式では負のフィードバックがないため、ループ補償は不要であり、回路は負荷の変化にただちに反応することができます。また、低負荷時に低周波動作となることから、全負荷範囲にわたって高効率を実現することができます。
ただし、この方式では、可変周波数に加えていくつか難点があります。この回路は電圧リップルの存在に依存しているため、負荷に対して十分に小さく、かつ制御コンパレータがスイッチングノイズの影響を不当に受けないような十分大きいリップルを実現するには妥協が必要です。また、原理的に過負荷保護がないという問題もあります。負荷が過大になると周波数は高くなる一方であり、その分、スイッチング損失が増大します。そのため、図1で「MIN OFF」と記されたブロックにより、オフタイムの最小限度を設定するのが普通です。
固定周波数の制御方式:電圧モード
電圧モードは通常、PWMにより固定周波数で動作します。図2では、出力電圧を基準値と比較した上、エラー信号VEを生成して、パワースイッチからのオンタイムパルスの幅を直接制御します。これはリニアな負のフィードバックループです。帯域幅を制限して不安定化を防ぐため、少なくともスイッチング周波数ノイズは除去されます。
図2. 電圧モード制御。
しかし、LC出力フィルタを備えたバックコンバータでは、共振周波数を超える小さな信号応答で180°の位相偏移が起こります。その周波数は数百Hzにすぎない場合もあります。その場合、負のフィードバックループの固有の180°偏移と相まって、360°の偏移が起こるため、その周波数でループ利得があれば、不安定化につながります。そうなると、ループがひどく低速になるような低周波数では、エラーアンプで利得をロールオフせざるを得なくなります。こうしたケースでは、出力コンデンサのESRが役立つ可能性があります。1つの理由は、出力コンデンサのキャパシタンスとそのESRのコーナー周波数を超えると、ESRが支配的となるため、出力回路がLRネットワークになることです。その場合、位相偏移はLCネットワークよりも小さくなります。そのため、ループ帯域幅を有効に拡大することが可能です。ただし、事実上ESRのないセラミック出力コンデンサを使用する場合、問題は解決しません。
いずれにしても、最適なループ速度と出力精度を達成するには、エラーアンプにおいて周波数応答の慎重な調整が必要です。ここではバックコンバータに焦点を合わせていますが、この手法はブースト、バックブーストやあらゆる絶縁型コンバータ(プッシュプル回路以外)など、他のトポロジでも簡単に利用することができます。
より広いループ帯域幅が得られる方式:電流モード
Cecil Deisch氏は、電流モード制御を初めて考案した功績で知られています。その目的は、電圧モード制御で使用されるプッシュプル回路内のトランスの「階段状飽和」を防ぐためでした。しかし、この手法は間もなく、ほとんどのコンバータトポロジに適用した時に有用であると認められるようになりました。図3に示すように、この実装は電圧モードに似ていますが、のこぎり状の波形が独立して生成されない点が異なります。それはスイッチオンタイム中におけるインダクタの電流波形から導かれます。これは特定のピーク電流に達した時にスイッチをオフにし、クロック信号によって再びスイッチをオンにするということです。この方式にはいくつかの利点があります。この場合、出力フィルタは制御された電流ソースで駆動されることから、単一ポールの応答となります。コーナー周波数を超える場合の位相偏移が90°にとどまるため、総合的な位相遅延が360°に達する前に、はるかに広いループ帯域幅が得られます。エラーアンプ補償回路ネットワークはそれほど重要でなくなり、より簡単に制御ICに集積することができます。
図3. 電流モード制御。
ピーク電流を直接検出するため、過負荷時にはスイッチ電流をパルスごとに安全な値に制限することができます。結果として、迅速に電流制限が可能になるため、インダクタの磁気飽和限度付近まで動作することが可能です。最後に、入力の変化に対してパルス幅を直接制御する自動フィードフォワードメカニズムがあります。電圧モード回路では、入力電圧の変化が電力段から出力に伝わり、エラーアンプから応答が返された後にしか修正が行われません。電流モードでは、入力電圧が変化すると、次の式に従ってインダクタ波形の勾配が直接影響を受けます。

入力電圧が上昇すると波形はそれだけ急勾配になります。それによりスイッチオフのスレッショルドに早く到達し、短いパルスを得ることを意味します。これは電圧上昇時に必要なパルス幅の修正です。したがって、電流モードで制御された回路では、ラインレギュレーションが非常に良好です。
負荷電流の共有は、電流モード制御のもう1つの利点です。同じエラー信号VEが複数のまったく同じコンバータに印加された場合、それらのコンバータのピーク電流は同水準に維持され、ひいてはそれらのコンバータの平均電流も同水準に保たれます。
電流モード制御の難点はどこにあるでしょうか。回路が50%を超えるデューティサイクルで動作する場合、サブハーモニック発振という現象が発生します。この現象は、スイッチング周波数の半分の周波数で電流ループの利得ピークにより引き起こされることがあります。この効果は、狭い電力パルスと広い電力パルスが交互に生じるという形で現れます。しかし、この問題を是正するのは至って簡単です。インダクタの電流波形の勾配を、システムクロックから導いた波形を追加することで、人為的に増加させるのです。検出した電流の勾配をインダクタ電流のダウンスロープの半分より大きな値だけ増加させることが必要です。ただし、スロープ補償が大きすぎるとループが電圧モードに戻るため、この場合、ただ大きければよいというわけではありません。
電流モードは、ハーフブリッジ以外のすべてのトポロジで有効に動作します。ハーフブリッジでは、直列ブリッジコンデンサにおける暴走した不均衡を回避するため、より複雑な仕組みが必要です。
ポールとゼロに関する注意
制御ループでは、ポールとゼロを考慮する必要があります。これらは特定の周波数で生じる伝達関数の最大値と最小値であり、利得と周波数のグラフにおける屈折点に相当します。
公正な補償
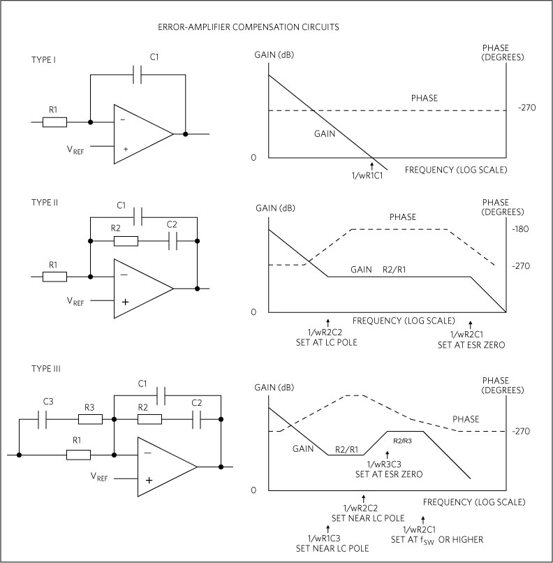
出力電圧の安定性を保証し、その最も高速で正確な制御を実現するには、電圧モードおよび電流モード方式においてエラーアンプの周波数応答の調整、または補償が必要です。タイプI、タイプII、タイプIIIという3つの方式で、すべての実用アプリケーションをカバーしています。タイプの番号は、エラーアンプの応答におけるポールの数に対応します。
図4はこの3つの方式を示しています。タイプIの補償回路は、利得がDCの最大値から20dB/decadeで低下する積分回路と思われるかもしれません。位相偏移は270°で一定です(積分回路の90° + オペアンプの180°)。この回路は一部のループを安定に保ちますが、ループ帯域幅は非常に狭くなります。
図4. エラーアンプ補償回路。
タイプIIの補償回路は電流モードのコンバータで使用され、2つのポールと1つのゼロを持ちます。タイプIと同様に、0Hzで1つのポールがありますが、シングル出力フィルタポールが現れる最低周波数で1つのゼロを置きます。これにより、ポールによって引き起こされる位相偏移をキャンセルし、利得を追加して0Hzのポールによる-20dB/decadeの利得のロールオフを抑止します。その効果は、ループの有効帯域幅の拡張です。最後の高周波ポールにより、全体の位相変位がマージンをもって360°に達することができるように、利得が再び低下します。
タイプIIIの補償回路は電圧モード制御に使用されます。電圧モード制御では、出力フィルタのダブルポールにより、電力段の伝達関数で-40dB/decadeという急激な利得のロールオフが起こり、-180°の急速な位相変化を伴います。この補償回路では2つのゼロが再び配置され、2つの出力フィルタポールをキャンセルします。0Hzのポールと2つの高周波ポールを配置して高い利得を保つとともに、位相遅延を最小限に抑えて可能な限り高い周波数にします。調整可能な変数の数を考えると、さまざまなポール/ゼロ配置方式を試して、さまざまな条件下で結果を最適化することができます。
これらの手法を利用すると、制御ループにおいてスイッチング周波数の約10分の1まで、有効な利得と帯域幅を実現することができます。さらに引き上げれば、スイッチングノイズとそれに伴う問題が発生します。この話題についてさらに詳しく学ぶには、最初のスイッチモード電源を考案したBob Mammanoが案内するビデオ、「スイッチングレギュレータ制御アルゴリズム入門」をご覧ください。このビデオは、電源システム設計セミナーのビデオシリーズの一部です。このシリーズでは、Mammanoがより小型かつシンプルでクールな電源設計の手法について説明しています。