LTM4630を使用した高効率、6フェーズ、80A降圧レギュレータ
LTM4630は、デュアル18Aまたはシングル36A出力のスイッチング・モード降圧DC/DC μModule®(マイクロモジュール)レギュレータです。スイッチング・コントローラ、パワーFET、インダクタ、およびすべての支持部品がパッケージに搭載されています。LTM4630は、4.5V~15Vの入力電圧範囲で動作し、出力電圧の範囲がそれぞれ0.6V~1.8Vの2つの出力をサポートしており、出力電圧はそれぞれ1本の外付け抵抗で設定されます。高効率設計により、出力ごとに最大18Aの連続電流を供給します。このデバイスは、周波数同期、マルチフェーズ動作、Burst Mode動作、電源レールのシーケンス制御のための出力電圧トラッキングをサポートしています。また、デバイス温度をモニタするための温度検出ダイオードを内蔵しています。
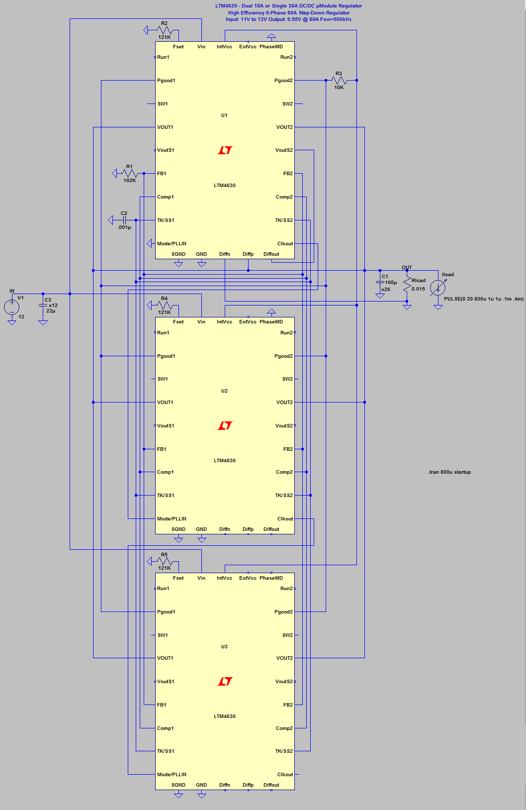
LTM4630の大電流と高効率を実証する6フェーズ・ソリューションを下図に示します。この回路は11V~13Vの入力電圧範囲に対応し、0.95V/80Aの十分に安定化された出力を生成します。この例では並列に接続された3個のLTM4630を使用していますが、これはこのデバイスの電流分担機能と熱性能を際立たせています。

高効率、6フェーズ、80A 降圧レギュレータ
LTM4630は大電流かつ高効率のソリューションを提供します。

Vin = 12V、Vout = 0.95V/80A、Fsw=500kHzで85% の効率を達成
この設計ではすべてセラミックの出力コンデンサ(26 x 100µF)を使用可能ですが、定常リップルを10mV未満に抑えます。

全負荷範囲で10mV未満の定常リップルを維持
フィードフォワード・コンデンサを追加することで、妥当なループ性能を改善することができます・・・

ループ利得:帯域幅= 59k、位相マージン=44°
高いスイッチング周波数と電流モード・アーキテクチャにより、安定性を損なうことなく入力および負荷の変動に対するきわめて高速なトランジェント応答が可能です。

トランジェント応答
エアフローもヒートシンクも使用しない場合、LTM4630の温度上昇は64°Cまで上がります。 200FPM のエアフローを使用すると、温度上昇は43°Cまで下がります。

サーマルテスト:ヒートシンクなし
ヒートシンクを使用し、エアフローを使用しない場合、LTM4630の温度上昇は46°Cまで上がります。ヒートシンクと200FPM のエアフローを使用した場合、LTM4630の温度上昇はわずか20°Cです。

サーマルテスト:ヒートシンクあり
LTM4630は、LTM4620およびLTM4620A(デュアル13A、シングル26A)およびLTM4628(デュアル8A、シングル16A)とピン互換です。16mm×16mm×4.41mmのLGAパッケージおよび16mm × 16mm × 5.01mm のBGAパッケージで供給されます。