Data Multiplexer Adds Cursor To MAX7219 or MAX7221 LED 7 Segment Display Driver
要約
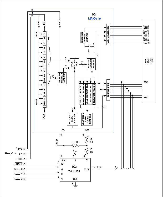
The MAX7219 or MAX7221 7-segment LED display driver can highlight any one digit of its 8 digit display by adding a data multiplexer. This circuit intensifies the brightness of the selected digit to provide a cursor function for data entry as well as readout.
A data multiplexer (IC2) enables the LED-display driver in Figure 1 to highlight any selected digit by intensifying its brightness. This cursor function enables use of the display for data entry as well as readout.

Figure 1. The digital multiplexer in this 8-digit display (IC2) provides a cursor function that intensifies the selected digit.
The operator of an environmental chamber, for instance, can set a desired temperature by entering that value via the display. Four "buttons" are required, but are not shown: left/right for selecting the digit to be intensified, and up/down for changing the digit's value (the buttons can be read by a microcontroller). Driving active-low CURSOR high then removes the cursor effect (by disabling IC2), and allows the display to continue monitoring temperature as it moves toward the new set point.
IC1 controls as many as eight 7-segment digits (eight segments including the decimal point) by scanning them sequentially and producing a value for each according to data stored in the chip via its serial interface. Each segment-driver output is a current source that delivers approximately 100 times the current entering ISET (pin 18). Thus, you can change the brightness of a given digit by altering the ISET current as that digit is scanned. (IC1 also provides a 16-level digital brightness control via 4-bit pulse-width modulation of the segment currents.)
The corresponding segments in each digit are bused together externally. The cathodes of all LED segments in a digit are bused together internally, allowing the digit to be turned on by drawing current from its common node with a logic-zero signal. Unselected digit-driver lines remain high. The digit-scan rate is approximately 1300/second.
When you apply a 3-bit digit-select code to IC2 while driving active-low CURSOR low, the multiplexer connects the corresponding digit signal to terminal Y and its complement to terminal W (pin 6). Thus, selecting a particular digit for cursor intensification drives W high during that digit scan, placing R1 and R3 in parallel and driving more current into ISET. (When W is low, R3 robs current from ISET.) If active-low CURSOR remains high, the digits exhibit uniform maximum brightness because W remains high for all of them.
Each of IC1's eight digit-driver outputs can sink LED currents as high as 320mA, but these outputs remain logic-compatible with the digital inputs of IC2. Even at 320mA, the digit-driver output voltages remain below the multiplexer's guaranteed low-level input voltage (VIL).
A related idea appeared in the 3/30/95 issue of EDN.