Accurate Silicon Oscillator Reduces Overall System Power Consumption
Introduction
Choosing a clock used to be simple: grab an off-the-shelf fixed-frequency super-accurate, low jitter quartz crystal, or cobble together a rather noisy, inaccurate RC oscillator using discrete components. Recently, though, the number of clock choices has expanded, making the decision tougher, giving rise to a number of important questions. Is crystal accuracy absolutely necessary? Are low power consumption and reliability important, suggesting an all silicon solution? What about cheap ceramic resonators—are they up to the task?
Each of these solutions has strengths and weaknesses. Power consumption, accuracy, noise and durability must all come into consideration when choosing a clock. The LTC6930 is a self-contained, fully integrated all silicon oscillator that occupies a unique space within the world of clock solutions, providing a combination of accuracy and low power features that is hard to beat.
The LTC6930, which requires no additional external components, can accurately provide fixed frequencies between 32.768kHz and 8.192MHz over a wide supply range of 1.7V–5.5V (Table 1). It typically dissipates between 100µA and 500µA depending on frequency and load, and is available in both 8-lead 2mm × 3mm DFN and standard MS8 packages.
| ÷1 | ÷2 | ÷4 | ÷8 | ÷16 | ÷32 | ÷64 | ÷128 | |
| DIV Pin Settings [DIVC][DIVB][DIVA] | 000 | 001 | 010 | 011 | 100 | 101 | 110 | 111 |
| LTC6930- 4.19 |
4.194304 MHz |
2.097152 MHz |
1.048576 MHz |
524.288 kHz |
262.144 kHz |
131.072 kHz |
65.536 kHz |
32.768 kHz |
| LTC6930- 5.00 |
5.000MHz | 2.500MHz | 1.250MHz | 625.0kHz | 312.5kHz | 156.25kHz | 78.125kHz | 39.0625kHz |
| LTC6930- 7.37 |
7.3728MHz | 3.6864MHz | 1.8432MHz | 921.6kHz | 460.8kHz | 230.4kHz | 115.2kHz | 57.6kHZ |
|
LTC6930- 8.00 |
8.000MHz | 4.000MHz | 2.000MHz | 1000kHz | 500.0kHz | 250.0kHz | 125.0kHz | 62.5kHz |
| LTC6930- 8.19 |
8.192MHz | 4.096MHz | 2.048MHz | 1024kHz | 512.0kHz | 256.0kHz | 128.0kHz | 64.0kHz |
What is not immediately obvious about the LTC6930 is that its low power dissipation represents only a small part of its power-saving abilities. Its accurate and fast start-up and switching times save substantially more system power than the device consumes by itself.
Smart Power Savings
Many electronic devices, especially battery powered portable applications, use low power sleep mode to conserve power during times of low activity. The depth and effectiveness of sleep modes is limited by recovery requirements—namely, how fast must the system come back up to full power. A standard crystal oscillator can be a major contributor to recovery delays.
Crystal oscillators can take tens of milliseconds to produce an accurate output when recovering from a shutdown. The technique of using two clocks, a fast clock for full power operation and a slower sleep mode clock, can degrade the accuracy and recovery performance of the system— where clock switching generates runt pulses and slivers that can sabotage sleep recovery times.
In contrast, the LTC6930 easily and accurately transitions between fast clock mode and a slower sleep mode. The transition from one clock frequency to another takes less than a single clock cycle, and no runt pulses or slivers are generated. The LTC6930 also features a fast 100µs start-up time and the first clock-out is guaranteed to be clean. This makes it possible for the designer to apply sleep mode liberally, without worrying about clock recovery, thus saving significant overall system power.
Shifting the Clock Frequency
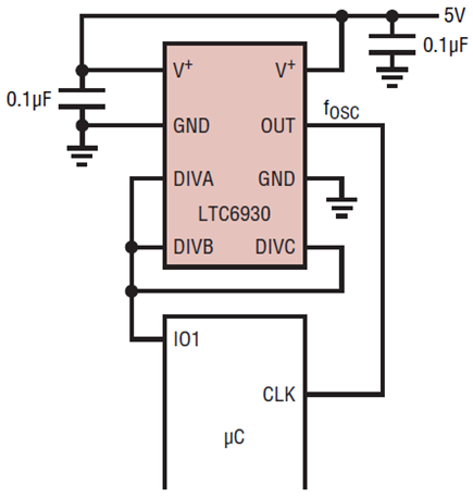
The output frequency of the LTC6930 is set by three DIV pins, which control an internal clock divider. The factory set master oscillator frequency may be divided by a factor of up to 128, and switching between these division modes is accomplished within a single clock period and without slivers or runt pulses. All three pins may be tied together to enable a simple digital signal from a microcontroller to shift the clock down by a factor of 128 as shown in Figure 1. This is enough to bring an 8MHz clock down to 64kHz.

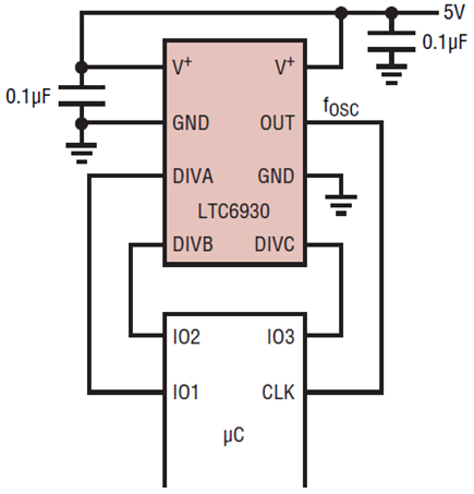
The DIV pins can be addressed in various combinations for smaller frequency shifts or independently for complex power modulating systems where a microcontroller has fine control over its own clock speed, as shown in Figure 2.

Figure 2. Fine control of the the LTC6930’s frequency via three microprocessor I/O pins.
Although there are some power savings within the LTC6930 when the output frequency is lowered (Figure 3), far greater savings are realized in the overall system. Power consumption in CMOS devices such as microcontrollers is roughly proportional to their operating clock speed. Slowing down the clock by a factor of 128 during a sleep condition can reduce the system power by a factor of 100—very important in a system that spends significant time in sleep mode.

Figure 3. The LTC6930 supply current at different divide ratios.
Power Savings from Fast Start-Up
Many systems are designed to sleep most of the time and wake up briefly on occasion to perform some task. If a task requires particularly little time, the total power dissipated for the task may be dominated not by the awake time, but by the time it takes for the oscillator and associated sensory electronics to power up. The guaranteed fast start-up time of the LTC6930 allows system designers to budget minimal recovery time and thus save power in start-up settling time.
Crystal oscillators often specify start-up times of up to 20ms, if they specify them at all, and the first clocks out may be of low amplitude and otherwise out of spec. The designers task is further complicated by the fact that start-up time may vary randomly. See Figures 4 and 5 to see how a crystal oscillator start-up time compares quite unfavorably to the LTC6930 start-up. A system that needs to wake up occasionally for a millisecond to take a single measurement may end up spending 100ms waiting for its clock to come up without a clean signal and then settle in order to take that single measurement. The fast and clean 100µs start-up of the LTC6930 allows the designer of such a system to reduce wake time, and therefore power dissipation, again by a factor of around 100.

Figure 4. Typical crystal oscillator start-up transients.

Figure 5. Typical LTC6930 start-up.
A Word on Accuracy
The big question when moving from a quartz crystal to a silicon oscillator will always be one of accuracy. If crystal oscillators do anything well, it is provide a stable and accurate frequency source, but accuracy is just one concern out of many.
While each individual application is different, Linear’s years of experience with silicon oscillators allows us to make some general recommendations based on actual customer applications. With an initial accuracy of better than 0.09% and a commercial grade accuracy over temperature of better than 0.45%, the LTC6930 does not compete with crystal oscillators in all areas, but does provide a clock accurate enough for the most applications.
Of course, there are applications that require either accuracy or jitter characteristics out of the reach of the LTC6930, such as clocking high speed analog-to-digital converters such as the LTC2242 series, clocking jitter sensitive high speed serial communications systems such as Ethernet, and long term timekeeping functions such as a digital alarm clocks. Nevertheless, silicon oscillators like the LTC6930 perform far better than crystal oscillators when power consumption is a concern, and extreme accuracy is not paramount. Such applications include clocking microprocessors and microcontrollers, acting as a time base for low speed serial communication protocols such as USB and RS232, digital audio applications, clocking switching power supplies and anywhere a general purpose clock is needed.
Conclusion
When comparing clock power dissipation it is important to consider not just the dissipation of the oscillator itself, but also how the oscillator’s features and start-up times effect the dissipation of the entire system. Crystal oscillators not only dissipate more current than other solutions, but can have other start-up and control characteristics that lead to power waste. When the LTC6930’s on-the-fly frequency programmability and one-clock-cycle settling time are considered, it is clear that it conserves much more system power than its dissipation specification would indicate.