Overview
設計リソース
設計/統合ファイル
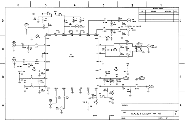
- Schematic of MAX2323 Evaluation Kit
- Bill of Materials Pt 1
- Bill of Materials Pt 2
- Cellular LNA/Mixer IIP3 Measurement Test Setup
- Cellular LNA/Mixer Noise-Figure Measurement Test Setup
- PCS LNA/Mixer IIP3 Measurement Test Setup
- PCS LNA/Mixer Noise-Figure Measurement Test Setup
説明
目的:このCDMAデュアルバンド/トリプルモードのフロントエンドIC改良版におけるわずかな改善点を比較するための一連の測定方法を開発する
マキシムは、お客様の特定の要求に応じてICの性能を改善し続けています。MAX2323は、MAX2320の新バージョンです。このプロジェクトの目的は、MAX2320に対する今回の改良版のわずかな改善点を明確にし、LNAおよびミキサを評価するための正確なセットアップを示すことでした。結果として、軽微な変更を確認でき、改良版は少なくともMAX2320と同等であることが判明しました。
MAX2323低ノイズアンプ(LNA)およびミキサは、デュアルバンドのCDMAセルラ電話の電話機用に設計されていますが、デュアルバンドのTDMA、GSM、EDGE、またはWCDMAのアプリケーションにも使用できます。先行モデル(MAX2320)と異なる点は、セルラバンドのLNAに3つ目の「中利得」状態を追加して、ヒステリシス切り替えマージンを向上しているという点です。またMAX2323は、パッケージがより小型になり(28ピンQFN)、入力3次インターセプトが増大されています。
REP (Rapid Engineering Prototype:迅速設計試作)とは、マキシムのアプリケーションエンジニアたちが研究所で製作して測定した実際の回路です。この回路は、新たにRFを設計する場合の出発点としてご利用いただけます。なお評価キットとしての提供はしておりません。
使用されている製品
Documentation & Resources
-
REP019 Design Files2021/03/03ZIP155 K
Support & Training
Search our knowledge base for answers to your technical questions. Our dedicated team of Applications Engineers are also available to answer your technical questions.
