概要
設計リソース
評価用ボード
型番に"Z"が付いているものは、RoHS対応製品です。 本回路の評価には以下の評価用ボードが必要です。
- EVAL-CN0172-SDPZ ($196.88) High Accuracy Multichannel Thermocouple Measurement Solution
- EVAL-SDP-CB1Z ($134.00) Eval Control Board
デバイス・ドライバ
コンポーネントのデジタル・インターフェースとを介して通信するために使用されるCコードやFPGAコードなどのソフトウェアです。
AD779x Linux GitHub Driver Source Code
AD7793 - Microcontroller No-OS Driver
機能と利点
- 3チャンネル K型熱電対測定システム
- 標準温度範囲: -20℃~120℃
- 高精度温度測定:0.25℃精度
- 冷接点補償用に使用される16ビットデジタル温度センサー
参考資料
-
CN0172 Software User Guide2018/10/18WIKI
-
ADT7320/ADT7420: Digital Temperature Sensors FAQ2011/05/10PDF657 kB
-
MT-101: Decoupling Techniques2015/02/14PDF954 kB
-
MT-023: ADC Architectures IV: Sigma-Delta ADC Advanced Concepts and Applications2015/02/14PDF936 kB
-
MT-022: ADC Architectures III: Sigma-Delta ADC Basics2015/02/14PDF289 kB
-
MT-031: データ・コンバータのグラウンディングと、「AGND」および「DGND」に関する疑問の解消2009/03/20PDF144 kB
-
MT-004: The Good, the Bad, and the Ugly Aspects of ADC Input Noise - Is No Noise Good Noise?2009/03/04PDF342 kB
-
CN-0172: 高精度マルチ・チャンネル熱電対測定回路2013/03/22PDF500 kB
回路機能とその特長
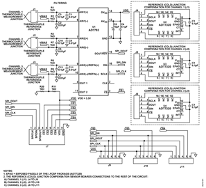
図 1に示す回路は高精度マルチ・チャンネル熱電対測定回路です。高精度熱電対測定を実現するには小さな熱電対電圧を増幅し、ノイズを削減し、非直線性を修正し、高精度な基準接点補正(一般的に冷接点補償と呼ばれる)を行う高精度部品のシグナル・チェーンが必要です。この回路は±0.25°C以上の精度で熱電対温度を測定するのに必要なこれらすべての課題を解決します。
図 1に示す回路は3つのKタイプ熱電対を高精度24ビット・シグマデルタ(Σ-Δ)A/Dコンバータ AD7793に接続して熱電対電圧を測定する方法を示します。熱電対は絶対温度測定デバイスではなく差動デバイスなので、正確な絶対温度データを得るためには基準接点温度を知る必要があります。この方法は基準接点補償(一般的に冷接点補償と呼ばれる)として知られています。この回路では冷接点基準の測定に高精度16ビット・デジタル温度センサーADT7320を使用して必要な精度を得ています。
このタイプのアプリケーションは熱電対が提供する広温度範囲にわたって費用対効果があり、高精度な温度測定が要求されるシステムで広く使用されています。

(簡略化した回路:接続及びデカプリングの全ては示されていません。)
回路説明
図 1の回路は3つのK型熱電対の温度を24ビットΣ-ΔADCのAD7793を使用して同時に測定できるように設計されています。基準接点温度は±0.25°C精度、16ビットデジタルSPI温度センサーADT7320を使用して測定されます。
熱電対電圧の測定
熱電対とADCのAD7793の間のインターフェースは熱電対コネクタとフィルタです。各コネクタ(J1、J2、J3)は各差動ADCの入力に直接つながります。AD7793の入力に接続されているフィルタは信号がADCのAIN(+)とAIN(−)入力に到達する前に熱電対の導線で混入したすべてのノイズを除去します。AD7793は熱電対の測温接点からの小信号を増幅するためにマルチプレクサ、バッファ、計装アンプを内蔵しております。
冷接点の測定
基準(冷)接点温度を−20°C ~ +105°Cの温度範囲にわたり±0.25°Cの精度で測定するために高精度16ビットデジタル温度センサーADT7320を使用します。ADT7320は工場で完全にキャリブレーションされており、ユーザー側でのキャリブレーションは不要です。ADT7320は0.0078°C分解能で温度を測定し、デジタル化するためにバンドギャップ・リファレンス、温度センサー、16ビットΣ-ΔADCを内蔵しております。
AD7793 と ADT7320は両方ともシステム・デモ用プラットホーム(EVAL-SDP-CB1Z)を使用してSPIインターフェースで制御します。AD7793 と ADT7320はマイクロコントローラでも制御可能です。

図 2はEVAL-CN0172-SDPZ回路評価用ボードを示しますが、3つのKタイプ熱電対コネクタ、ADCのAD7793、基準温度測定用に2つの銅コンタクト間の別のフレキシブル・プリント基板(PCB)に搭載した温度センサーADT7320が実装されています。
図 3は別のフレキシブルPCBに搭載され、熱電対コネクタの2つの銅コンタクト間に挿入されたADT7320の側面図です。図3に示すフレキシブルPCBは小型FR4タイプPCBよりも薄く、フレキシブルなので利点があります。このPCBを使用する事によりADT7320を熱電対コネクタの銅コンタクト間に適切に搭載して、基準接点とADT7320との間の温度勾配を最小限にする事ができます。

フレキシブルPCBは小型で薄いのでADT7320は基準接点での温度変化に迅速に応答できます。図 4はADT7320の標準的な熱応答時間を示します。

この回路は柔軟性があるので他のタイプ(JタイプあるいはTタイプ熱電対など)の熱電対を使用する事ができます。この回路ノートではもっとも使用されているKタイプを選択しました。実際に選択した熱電対は先端が露出しています。測温接点はプローブ壁の外側になり、目標の媒体にさらされます。
先端露出型の利点は熱伝導が最も良く、応答時間が最も速く、低価格で軽い事です。先端露出型の弱点は機械的な破損や腐食に弱い事です。結論として、先端露出型は激しい環境には適していません。しかし迅速な応答時間が要求される場合、先端露出型はベストの選択です。もし工場の環境で先端露出型が必要な場合は、シグナル・チェーン内で電気的なアイソレーションが必要になる可能性があります。それはデジタル・アイソレータを使用する事により可能になります(www.analog.com/jp/iCoupler)を参照してください。
ADT7320は従来のサーミスタあるいは測温抵抗体(RTD)とは異なり、真のプラグ・アンド・プレイ回路になっており、ボード組み立て後の複数点キャリブレーションが必要なく、キャリブレーション係数や直線性ルーチン用にプロセッサやメモリのリソースを使用する事はありません。ADT7320は3.3 V電源でわずか700 μW(typ)しか消費しないので、従来の抵抗性センサー回路の精度に影響を及ぼした自己発熱の問題を避ける事ができます。
高精度な温度測定のガイドライン
下記はADT7320で基準接点の温度を高精度に測定するためのガイドラインです。
電源電圧: ADT7320の電源がスイッチング・レギュレータから供給されている場合、50 kHz以上で発生するノイズが温度精度仕様に影響を及ぼす可能性があります。これを避けるために、電源とVDDの間にRCフィルタを使用してください。電源ノイズのピーク値が1 mV以下になるように使用する部品の値を注意深く選択してください。
デカップリング: ADT7320で高精度な温度測定を確実に行うにはVDDのできるだけ近くにデカップリング・コンデンサを実装する必要があります。0.1 μF高周波セラミック・タイプのようなデカップリング・コンデンサを推奨します。さらに低周波用デカップリング・コンデンサ(10 μF ~ 50 μFのタンタル・コンデンサなど)を高周波セラミックと並列に接続してください。
熱伝導を最大限にする: 基準接点からADT7320への主な熱的経路はプラスチックパッケージと裏側の露出パドル(GND)を通ります。銅コンタクトをADC入力に接続するので、このアプリケーションでは裏側パドルは接続できません。なぜならADC入力へのバイアスに影響するからです。
高精度電圧測定のガイドライン
下記はAD7793を使って基準接点の温度を確実に高精度に測定するためのガイドラインです。
デカップリング: 高精度な温度測定を確実に行うためにADT7320はVDDのできるだけ近くにデカップリング・コンデンサを接続する必要があります。10 μFタンタル・コンデンサと0.1 μF セラミック・コンデンサを並列にしてGNDに接続してAVDDをデカップリングしてください。さらに10 μFタンタル・コンデンサと0.1 μF セラミック・コンデンサを並列にしてGNDに接続してDVDDをデカップリングしてください。グラウンディング、レイアウト技術、デカップリング技術に関する詳しい情報については チュートリアル MT-031 と MT-101(英語) を参照してください。
フィルタリング: AD7793の差動入力は熱電対線上のほとんどの同相ノイズを取り除く働きをします。たとえばAD7793のフロントエンドに接続されているR1、R2、C3から成る差動ローパス・フィルタは熱電対端子で混入する可能性のあるノイズを削減します。C1とC2のコンデンサは追加の同相フィルタです。ADCのAIN(+)とAIN(−)のアナログ入力は差動のため、アナログ変調器内のほとんどの電圧は同相電圧です。AD7793の優れたコモン・モード除去比により、これら入力での同相ノイズが除去されます。
この回路で解決した他の問題
下記に前述した熱電対の他の問題をこの回路でどのように解決したかをまとめました。
熱電対電圧の増幅:熱電対の出力電圧は1°Cあたり数μVしか変化しません。この場合、最も使用されているKタイプ熱電対の変化率は41 μV/°Cです。このように信号が小さい場合はAD変換の前に大きなゲイン段が必要となります。AD7793の内蔵プログラマブル・ゲイン・アンプ(PGA)のゲインは128まであります。この回路では、AD7793がその内部リファレンスを使用してそれ自身の内部フルスケール・キャリブレーションを行えるようにゲイン16にしました。
熱電対の非直線性の補正: AD7793は広温度範囲(−40°C ~ +105°C)にわたって優れた直線性があるので、ユーザーによる補正あるいはキャリブレーションは必要ありません。 実際の熱電対温度を決定するために、始めに基準温度の測定値をNational Institute of Standards and Technology(NIST)が提供している公式を利用して等価熱電電圧に変換します。この電圧はAD7793によって測定された熱電対の電圧に加算されます。そして次にその和は再びNIST公式を利用して熱電対温度に換算されます。代わりの方法にルックアップ・テーブルの使用があります。しかし、同じ精度を得ようとすると、ルックアップ・テーブルのサイズが大きくなる可能性があり、その場合ホスト・コントローラから追加のメモリ・リソースが必要となります。すべての処理は EVAL-SDP-CB1Zを使ってソフトウェアで行われます。
EVAL-CN0172-SDPZの回路とレイアウトはCN-0172設計支援パッケージに載っています: www.analog.com/CN0172-DesignSupport
回路の評価とテスト
記述したシステムはEVAL-CN0172-SDPZ とEVAL-SDP-CB1Zを使用します。CN0172ブレークアウト・ボードはEVAL-CN0172-SDPZボードに含まれています。
必要な装置
下記の装置が必要です:
- オイル槽
- EVAL-CN0172-SDPZ回路評価用ボード
- (EVAL-CN0172-SDPZボードに含まれている)CN0172ブレークアウト・ボード
- EVAL-SDP-CB1Z回路評価用ボード
- CN0172 評価用ボード・ソフトウエア
- Datron 4808キャリブレータ
- Hart Scientific 1590 スーパー熱電対
- Hart Scientific 高精度プローブ
- GPIB ケーブル(3)
- GPIBカードとUSB2.0ポート付きPCとウインドXP又はそれ以降のLabVIEWが動作する物
セット・アップとテスト
図 5に示すテスト・セットアップはマルチ・チャンネル熱電対回路の性能を評価するために使用されました。Datronキャリブレ―タは3つの熱電対入力用高精度電圧源を供給するために使用しました。オイル槽の温度はスーパー熱電対で測定し、GPIBバスを介して制御しました。
CN0172のLabVIEWソフトウェアはUSBポートを介してEVAL-CN0172-SDPZ、EVAL-SDP-CB1Z、ブレークアウト・ボード、SPIバスを制御します。EVAL-SDP-CB1Zの電源はUSBバスから得ます。 そしてEVAL-SDP-CB1Z の3.3V出力はEVAL-CN0172-SDPZの電源を供給します。
オイル槽の測定が必要ない場合、熱電対温度の測定は、CDで提供するソフトウェアとPCとのUSBインターフェースを利用する事により、EVAL-CN0172-SDPZを使用して行う事が出来ます。
テスト・セットアップとキャリブレーションそしてデータ取り込みのための評価ソフトウェアの使用方法に関する情報と詳細についてはCN0172ユーザー・ガイドに載っています:www.analog.com/CN0172-UserGuide

テスト結果
図 6のグラフは各種固定冷接点(CJ)温度における熱電対温度全体の熱電対回路誤差です。広温度範囲にわたり総合回路誤差≤ ±0.25°Cを達成しています。回路の精度はADCのAD7793のシステム・キャリブレーションを行う事によりさらに改善できます。

図 7のグラフは各種固定熱電対温度におけるCJ温度全体の熱電対回路誤差です。広温度範囲にわたり総合回路誤差≤ ±0.25°Cを達成しています。


