製品概要
製品概要
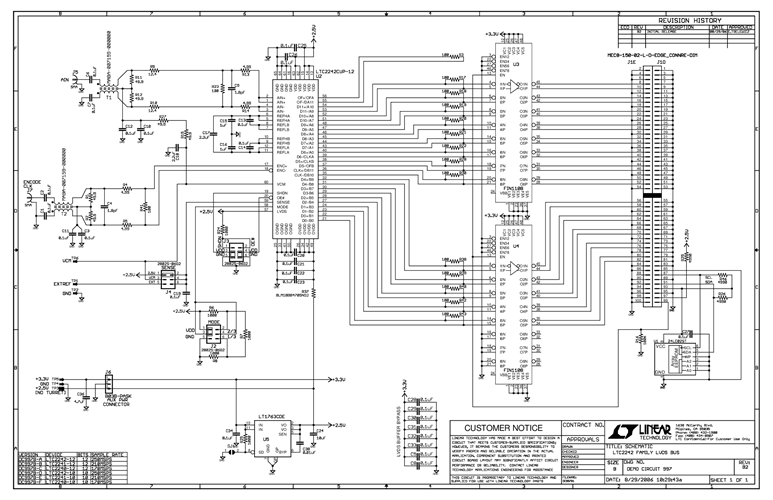
DC997B-A - Demo Board for the LTC2242-12 12-Bit, 250Msps ADC.
対象となる製品
関連資料
-
DC997B - Schematic2012/05/22PDF367K
-
DC997B - Demo Manual2012/05/22PDF432K
-
DC997B - Design Files2012/05/22ZIP1M
