製品概要
製品概要
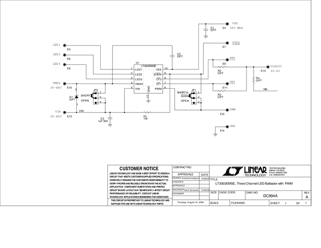
DC994A: Demo Board for the LT3003 3-Channel LED Ballaster with PWM.
対象となる製品
関連資料
-
DC994A - Schematic2009/09/24PDF26K
-
DC994A - Demo Manual2009/09/24PDF618K
-
DC994A - Design File2009/09/24ZIP504K
