製品概要
製品概要
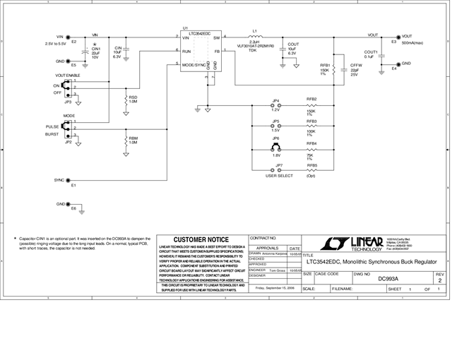
Demonstration circuit 993A is a step-down converter, using the LTC3542 monolithic synchronous buck regulator. The DC993A has an input voltage range of 2.5V to 5.5V, and is capable of delivering up to 500 mA of output current in a small 2x2 mm DFN package. The output voltage of the DC993A can be set as low as 0.6V, the reference voltage of the LTC3542.
対象となる製品
関連資料
-
DC993A - Schematic2009/09/24PDF26K
-
DC993A - Demo Manual2009/09/24PDF472K
-
DC993A - Design File2009/09/24ZIP515K
